• Всего документов: 5844
  • Число пользователей: 15251

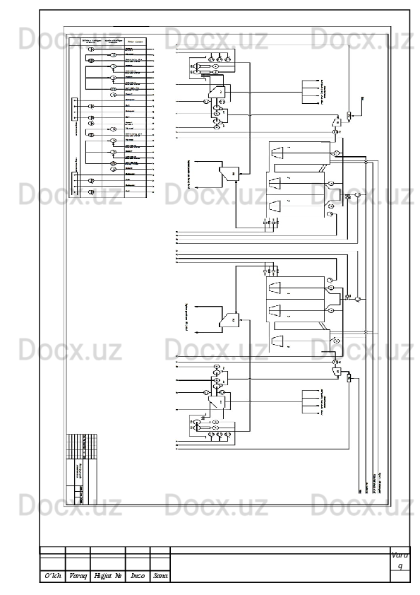
Flotatsiya jarayonini avtomatlashtirish va boshqarish

Natijada rasmda tasvirlangan o'tish jarayoni hosil bo’ladi:
Optimal regulyator sozlamalari bilan 0,5 mA tashqi pog’ona ta'sirida o'tish
jarayoni: Кr=10,2858	m	А/(g/sm	3) , 	 Тi=	29,555	s , 	Тd=5,818	s .
Regulyator   sozlamalari   qiymatlarini   olish   uchun   MATLAB   buyruq   satrida
buyruqlar kiritildi:
>> К p,Ki,Kd
Regulyatorning   parametrlari   optimallashtirilgan   qiymatlari   ish   oynasiga
kiritiladi:
Ki = 0.3454;
Kd = 59.3922;
Kp =10.2858.
Optimallashtirish natijasida quyidagi PID regulyatori sozlamalari olinadi:
- regulyatorning foydalilik darajasi
К
p = 10,2858 m А / ( g / sm 3
)
;
- isodrom vaqti 
  Т
i = Kp
Ki = 29,555 s
;
- oldindan ko'rish vaqti
T
d   =   Kd/Kp   =   5,818   s.
2.3 TIA PORTAL dasturlash muhitida jarayonni boshqarish dasturini
yaratish
Vara
q
O ’ lch Varaq Hujjat   № Imzo Sana	
∆ρ(t)	, g/	sm	³ t , s bundan   tashqari,   boshqaruvda   flotatsiya   mashinalarini   yoqish   va   o'chirishni
ta'minlaydigan algoritmdan foydalanish mumkin emas.
               Flotatsiya mashinalarini takomillashtirish, ham kamera hajmini oshirish, ham
pnevmatik aralashtirishni kengroq qo'llash orqali aeratsiya blokini yaxshilash yo'lida
amalga   oshiriladi,   bu   havoning   yaxshi   tarqalishini   va   kamera   hajmi   bo'ylab
pufakchalarning bir  tekis taqsimlanishini  ta'minlashi  kerak. Tez-tez uchraydigan (va
ba'zi hollarda maxsus tadbirlarsiz qabul qilinishi mumkin emas)
pnevmatik aeratsiyaga ega yuqori samarali mashinalarni to'xtatish, ehtimol, flotatsiya
jarayonini   avtomatlashtirishni   yanada   maqbul   qiladi,   bu  esa   flotomashinaning   o'zini
boshqarishni ta'minlaydi.
1.4. Avtomatlashtirishning funksional sxema tavsifi
Oltin   tarkibli   bo’tanani   flotatsiya   qilish   orqali   ajratib   olish   sexi
avtomatlashtirish   obyekti   hisoblanadi.   Bu   yerda   flotatsiya   mashinalari   2   bosqichda
bo’tanani   flotatsiyalash   jarayoni   uzluksiz   olib   boriladi.   Avtomatlashtirishning
funksional sxemasida apparatlar zanjiri ko’rsatilgan. 
Maydalash   va   saralash   jarayonidan   kelgan   bo’tana   dastlabgi   flotatsiya
mashinasi   1ga   quyiladi.   Bo’tana   liniyasida   uning   sarfini   o’lchash   uchun   Promag   W
400  qurilmasidan foylaniladi. 
Flotatsiya   jarayoni   borishi   uchun   bosim   ostidagi   havo   va   turli   xil   reagentlar,
masalan   ksantogenat   bo`tanaga   qo`shiladi.   Shuning   uchun   avtomatlashtirishning
funksional   sxemasida   havo   va   reagentlar   liniyasi   ko`rsatilgan.   Reagentlar   liniyasiga
esa Promag W 400 sarf o`lchash qurilmasi o`rnatilgan.
Dastlabgi   flotatsiya   mashinasida   sath   o’lchash   uchun   Micropilot   FMR60
qurilmasi   o’rnatilgan   bo’lib,   u   orqali   rostlash   qurilmalari   boshlariladi   va   flotatsiya
mashinasidagi sath nazorat qilinadi.
Vara
q
O ’ lch Varaq Hujjat   № Imzo Sana Rostlanadigan obyektni boshqarish kanalining statik va dinamik xususiyatlari
К
CuрQ	Q	
Rostlanadigan obyektni boshqarish kanalining statik va dinamik xususiyatlari	
КCu	ОФШ	Q	
Rostlanadigan  obyektni boshqarish kanalining statik va dinamik xususiyatlari	
КCu	ПШ	Q	1
Rostlanadigan obyektni boshqarish kanalining statik va dinamik xususiyatlari	
КCu	ПШ	Q	2
Vara
q
O ’ lch Varaq Hujjat   № Imzo Sana Minеrаl   zаrrаchаlаr   yuzаsining   suv   bilаn   ho`llаnish   hоdisаsi   flоtаtsiya
jаrаyonining fizik–kimyoviy оmillаridаn biri hisоblаnаdi. 
Ho`llаnish   dаrаjаsigа   fаqаt   minеrаl   erkin   yuzа   enеrgiyasining   kаttаligi   emаs,
bаlki suv iоn vа mоlеkulаlаrining o`zаrо tаsirlаshuv enеrgiyasi hаm tа’sir qilаdi.
-rasm. 
Ikkitа   fаzаning   (mаsаlаn,   suv   vа   minеrаl)   o`zаrо   tоrtishishi   аdgеziya   dеyilаdi
hаmdа   u   hаm   shu   fаzаlаrni   bo`lish   uchun   sаrflаngаn   ishni   fаzаlаr   аjrаlish   yuzаsining
birligigа   nisbаti   bilаn   хаrаktеrlаnаdi.   Аdgеziya   ishi   ikkаlа   fаzа   yuzа   enеrgiyalаrning
yig`indisi minus fаzаlаr chеgаrаsidаgi yuzа enеrgiyasigа tеng:
                                                W	=	σc−ч+σк−ч−	σс−к
bu   yеrdа,  	
σc−ч,σк−ч,σс−к –   tеgishli   rаvishdа   suyuqlik–gаz,   qаttiq   zаrrаchа–gаz,
suyuqlik–qаttiq zаrrаchа fаzаlаri аjrаlish chеgаrаsidаgi yuzа enеrgiyasi.
Minеrаl   zаrrаchаning   yuzаsi   suv   bilаn   ho`llаnishi   uchun   minеrаl   vа   suv
mоlеkulаlаri   оrаsidаgi   tоrtishish   kuchi   suv   mоlеkulаlаri   оrаsidаgi   tоrtishish   kuchidаn
kаttа bo`lishi kеrаk. Bоshqаchа qilib аytgаndа, minеrаl zаrrаchа yuzаsining ho`llаnishi
Vara
q
O ’ lch Varaq Hujjat   № Imzo Sana shuncha   asosiy   metallning   kam   miqdori   bilan   iqtisodiy   va   texnik   jihatdan   rudani
qayta ishlash samarali bo‘lishi isbotlandi. 
1.1 Flotatsiya usulida boyitish jarayonining tavsifi
Flоtаtsiya–minеrаl zаrrаchаlаr yuzаsining fizik–kimyoviy хоssаlаridаgi fаrqqа
qаrаb bоyitish usuli bo`lib, minеrаl zаrrаchаlаr yuzаsining suv bilаn hаr хil ho`llаnish
qоbiliyatigа аsоslаnаdi.
        Suvli   muhitdа   mаyin   tuyulgаn   hоldа   mаvjud   bo`lgаn   аyrim   minеrаllаrning
zаrrаchаlаri suv bilаn ho`llаnаdi, ayrimlаri esа suv bilаn ho`llаnmаydi, bаlki suvdаgi
hаvо pufаkchаlаrigа ilаshib, yuzаgа qаlqib chiqаdi.
        Shu   bilаn   bir   vаqtdа   bоshqа   minеrаllаrning   zаrrаchаlаri   suv   bilаn   ho`llаnib
undа cho`kаdi yoki muаllаq hоldа jоylаshаdi. 
Flоtаtsiya   turli   хildаgi   fоydаli   qаzilmаlаrni   bоyitishdа   kеng   ko`lаmdа
ishlаtilаdi.   Qаzib   оlingаn   rаngli   mеtаllаr   rudаlаrining   90   %   dаn   ko`prоg`i–kаmyob,
qоrа,   nоdir   mеtаllаr   rudаlаri   vа   nоmеtаl   rudаlаr   shu   usuldа   bоyitilаdi.   Flоtаtsiya
usulini   qo`llаsh   kаmbаg`аl   rudаlаrni   hаmdа   bоshqа   usullаr   bilаn   bоyitilishi   qiyin
bo`lgаn   rudаlаrni   qаytа   ishlаsh   imkоniyatini   yarаtаdi.   Mаsаlаn,   flоtаtsiya   usulini
qo`llаb pоlimеtаl rudаlаrdаn qo`rg`оshinli, ruhli vа misli bоyitmаlаrni оlish mumkin. 
                   Ko`pikli flоtаtsiya jаrаyonidа 3 tа fаzа ishtirоk etаdi: hаttiq (minеrаl), suyuq
(suv) vа gаzsimоn (hаvо).
               Flоtаtsiya jаrаyonining mехаnizmini tushunish uchun bu fаzаlаr yuzаlаrining
хоssаlаrini vа bu fаzаlаr chеgаrаlаridа sоdir bo`lаdigаn hоdisаlаrni ko`rib chiqаmiz.
                    Suyuq   vа   qаttiq   jismlаrning   yuzа   qаtlаmlаri   bu   jismlаrning   ichidа
bo`lmаydigаn bir qаtоr fizik–kimyoviy хоssаlаrgа egа.
                    Qаttiq   zаrrаchаlаrning   yuzаsi   erkin   enеrgiyaning   mаvjudligi   bilаn
хаrаktеrlаnаdi.   Qаttiq   jismlаr   yuzа   qаtlаmlаrining   аtоmlаri   (iоnlаri)   suyuqlik
mоlеkulаlаrinikigа nisbаtаn ko`prоq tоrtishish kuchini sеzаdi.
          Erkin yuzа enеrgiyasining kаttаligi minеrаllаr yuzаsining tаbiаtini vа uning suv
hаmdа   suvdа   erigаn   mоddаlаr   bilаn   tаsirlаshuv   qоbiliyatini   хаrаktеrlаydi.   Bundаy
o`zаrо tаsirlаshuvlаrdаn biri – minеrаllаr yuzаsining suv bilаn ho`llаnishidir.
Vara
q
O ’ lch Varaq Hujjat   № Imzo Sana uchun suv vа minеrаl оrаsidаgi аdgеziya ishi suvning o`zi uchun kоgеziya ishidаn оrtiq
bo`lishi kеrаk.
         
1-rаsm. Minеrаl zаrrаchа yuzаsining hаvоli muhitdа suv bilаn ho`llаnishidаgi
sirt tаrаnglik kuchlаrining tа’siri sхеmаsi
Tаbiiy  minеrаllаr   suv  bilаn  ho`llаnish  qоbiliyatigа  qаrаb  bir–biridаn  fаrq  qilаdi.
Yuzаsi   suv   bilаn   оsоn   ho`llаnаdigаn   minеrаllаr   (mаsаlаn,   kvаrts,   kаltsiy)   gidrоfil
minеrаllаr,   suv   bilаn   yomоn   ho`llаnаdigаn   minеrаllаr   esа   (mаsаlаn,   grаfit,   tаlk,
mоlibdеn,   хаlkоpirit)   gidrоfоb   minеrаllаr   dеyilаdi.   Ko`p   minеrаllаr   esа   оrаliq   hоlаtni
egаllаydilаr.   Bir   qаtоr   minеrаllаr   (mаsаlаn,   sulfidli   minеrаllаr)   gidrоfilligining   оrtishi
ulаr yuzаsining оksidlаnishi bilаn bоg`liq. 24–rаsmdа minеrаl zаrrаchа yuzаsini hаvоli
muhitdа suv bilаn ho`llаnishidаgi sirt tаrаnglik kuchlаrining tаsiri sхеmаsi kеltirilgаn.
Vara
q
O ’ lch Varaq Hujjat   № Imzo Sana Optimal sozlash parametrlari bilan tebranish orqali «  Н
ш 
» kanali uchun
tezlashuv xarakteristikasi
Keyinchalik, stabilizatsiya regulyatori bilan "Z1 - Qcu" kanali orqali tezlashuv
xarakteristikasini yozamiz.
Stabillashtiruvchi   regulyator   bilan   "Z1   -   Qcu"   kanali   orqali   tezlashuv
xarakteristikasini olib tashlash uchun
Stabillashtiruvchi   kontroller   bilan   "Z1   -   Qcu"   kanalidagi   obyektning
tezlashtiruvchi xarakteristikasi
Dinamik   xarakteristikani   yaqinlashtirib,   quyidagi   natijaga   erishamiz:
K
co =0,00095, T
co =30000s, t
co =7000s, t
co /T
co =0,23.
Vaqtinchalik jarayonning sifatiga qo'yiladigan talablarga ko'ra, biz 20% oshib
ketgan jarayonni tanlaymiz.
Nomogrammalarga   ko'ra,   biz   birinchi   navbatda   tartibga   solish   qonunini
tanlaymiz. Rd ga va oldindan belgilangan tco/Tco nisbatiga muvofiq biz oldindan PI -
nazorat   qonunini   tanlaymiz.   Statik   ob'ektlar   va   odatiy   o'tish   davri   uchun   hisoblash
formulalariga ko'ra, biz quyidagilarni topamiz:
Vara
q
O ’ lch Varaq Hujjat   № Imzo Sana boyitish   mahsulotining   granulometrik   tarkibi;   ρп-   boshlang'ich   ozuqa   zichligi;   µi-
pulpada   reagent   ionlarining   kontsentratsiyasi   (reagent   sarfini   hisobga   olish   mumkin
qi); h1 и h2- ma'lum darajalar, h2 ko'pik yig'ish tezligi bilan belgilanadi; γп- o'rnatish
samaradorligi; ka- pulpa shamollatish darajasi va boshqalar. 
αр va ψр kabi omillar foydali qazilmalarni qazib olish jarayonida hosil bo'ladi;
dp, ρп, µi - rudani flotatsiyaga tayyorlash jarayonida; h1, h2, ka, γп va va ba'zi   µi-
flotatsiya jarayonida.
                     
3.18                                                   3.19
3.18. Flotatsiya kamerasi ajratish moslamasi sifatida
3.19. Flotatsiya jarayoni boshqaruv ob'ekti sifatida
3.19-rasmda flotatsiya jarayoni boshqaruv ob'ekti sifatida ko'rsatilgan.  I   -guruh
omillari tartibga solinadi va ularni nazorat qiluvchi ta'sirlar deb hisoblash mumkin,  II
-guruh   omillari   esa   tartibga   solinmaydi   (bezovta   qiluvchi   ta'sirlar).   Shunday   qilib,
ko'rib   chiqilayotgan   texnologik   jarayon   m=m
1 +m
2   kirish   va   n   chiqish   parametrlari
bilan tavsiflangan ko'p o'lchovli boshqaruv ob'ekti hisoblanadi. Bu erda m
1 -   I   -guruh
omillari soni, m
2 -  II -guruh.
Avtomatik   boshqaruvning   asosiy   vazifasi   sifatida   flotatsiya   jarayonini
avtomatik   optimallashtirish   vazifasi   hali   deyarli   hal   qilinmagan,   chunki   jarayon
samaradorligiga   sezilarli   ta'sir   ko'rsatadigan   ba'zi   o'zgaruvchilarni   ishonchli
avtomatik boshqaruvi mavjud emas.
Hozirgi   vaqtda   flotatsiya   jarayonini   avtomatik   boshqarish   individual
parametrlarni   barqarorlashtirish   sxemasini,   shuningdek   ko'p   bog'langan   tartibga
solish   tizimlarini   ishlab   chiqish   va   joriy   etish   bosqichida.   Bunday   boshqaruv
tizimlarini   yaratish   uchun   asosiy   kanallar   orqali   flotatsiya   mashinasining   uzatish
funktsiyalarini   aniqlash   kifoya.   Hajm   oqimlarining   moddiy   balansi   va   tarkibiy
qismlar tarkibi uchun moddiy balans tenglamalari asosida  uzatish funktsiyalari.
Vara
q
O ’ lch Varaq Hujjat   № Imzo Sana bo'limi   tomonidan   avtomatik   tartibga   solish   tizimi   quyidagi   algoritmni   amalga
oshiradi:   1)   flotatsiya   kontsentratining   zumpfidagi   darajaga   qarab   flotatsiya
mashinalarini yoqish va o'chirish; 2) flotatsiya qilinadigan material miqdori bo'yicha
reaktivlarning dozasi (ishlaydigan flotatsiya mashinalari soni bo'yicha); 
3)   flotatsiya   mashinalari   va   vakuum   filtrlarining   ishlashini   muvofiqlashtirish;   4)
flotatsiya   mashinasini   yoqish   yoki   o'chirishda   tegishli   quyuqlashtiruvchi   voronkaga
pulpa   etkazib   berishni   yoqish   va   o'chirish   (mashina   ma'lum   bir   kechikish   bilan
o'chadi,   bu   hunida   qolgan   pulpani   qayta   ishlashga   imkon   beradi)   5)   ishlaydigan
mashinalar   sonini   va   flotatsiya   kontsentratining   zumpfdagi   darajasini   ro'yxatdan
o'tkazish.
           Shunday qilib, yuqoridagi algoritmni amalga oshirish, ishlaydigan mashinalar
sonini   o'zgartirish   orqali   flotatsiya   mashinalari   va   vakuum   filtrlarining   yukini
barqarorlashtirishga   imkon   beradi.   Flotatsiya   jarayonini   avtomatlashtirishga   turli   xil
yondashuvlar   o'ziga   xos   boyitish   sxemalari,   fabrikada   ishlatiladigan   flotatsiya
mashinalari   turlarining   soni   va   ularning   mukammalligi   bilan   bog'liq.   Leninogor
polimetall   kombinatining   flotatsiya   bo'limida   bir   vaqtning   o'zida   10   turdagi
flotomashinalar   o'rnatilgan:   mexanik   FMR-10,   FMR-25,   “Mexanobr”   (7   marka)   va
pnevmomexanik   FPR-40.   Uskunalarning   bunday   xilma-xilligi   ko'p   sonli   turli   xil
boshqaruv   tizimlaridan   foydalanish   zarurati   tufayli   avtomatlashtirishning   birinchi
yondashuvidan   foydalanishni   qiyinlashtiradi.   Shu   bilan   birga,   pnevmatik   harakatga
ega   flotomashinalar   bo'lmagan   taqdirda,   butun   flotatsiya   bo'limida   pulpa
oqimlarining   doimiyligini   avtomatik   ravishda   saqlab   turish   bunday   fabrikalarda
avtomatlashtirish masalasini hal qilishga imkon beradi. Pnevmomexanik mashinalar,
masalan,   FPR-40   va   FPR-63   turlari,   flotatsiyaning   yanada   jadal   jarayonini
ta'minlaydigan   kamchiliklarga   ega,   chunki   favqulodda   to'xtash   yoki   havo   ta'minoti
to'xtatilishi,   kameraning   loyqalanishi   va   pervanelning   o'rnatilgan   qum   bilan   tiqilib
qolishi   kuzatiladi.   Bu   esa   mashinani   aeratsiya   moslamasini   oldindan   yuvmasdan
ishga   tushirishni   imkonsiz   qiladi   va   hatto   undan   ham   ko'proq.   Bu   aeratsiya
moslamasini   oldindan   yuvmasdan   mashinani   ishga   tushirishni   imkonsiz   qiladi,
Vara
q
O ’ lch Varaq Hujjat   № Imzo Sana Vara
q
O ’ lch Varaq Hujjat   № Imzo Sana %.   Boyitmaning   va   chiqindining   chiqishi,   misni   boyitma   va   chiqindiga   ajralishi   va
boyitish darajasini aniqlang.γb=	α−	θ	
β−	θ
⋅100	=	1,2	−	0,1	
22	−	0,1	
=	1,1
21	,9
=	0,0502	=	5,02	%	
γch=	100	−	5,02	=	94	,98	%	
C	=	Q	
γb	
100	=	420	⋅5,02	
100	=	21	,08	t/soat
                            	
Т=	Q⋅	
γch	
100	=	420	94	,98	
100	=	398	,92	t/soat
    
1. 3 .  Flotatsiya jarayoni avtomatlashtirish obyekti sifatida tahlili
Vara
q
O ’ lch Varaq Hujjat   № Imzo Sana                              W	1(p)=	∆h1(p)	
∆Q	(p)=	
2
3	
h10
Q10	
2
3	
Sh	10	
Q10	
p+1
=	k1	
T1p+1;  (3.8)
                             W
2	
( p	) = ∆ C
2 ( p )
∆ C
1 ( p ) = Q
10
Q
20 + φ
0 V
0
V
Q
20 + φ
0 V
0 p + 1 = k
2
T
2 p + 1 ;
 (3.9)
φ
0 -   flotatsiyalanish, moddani kameradan chiqarish tezligini anglatadi.
(3.8)   va   (3.9)   dan   ko'rinib   turibdiki,   T
1   va   T
2   vaqt   konstantalari   vaqt   birligidagi
kameralar orqali o'tadigan q pulpa miqdoriga bog'liq. Flotatsiya bo'limining ishlashi
juda   katta   farq   qilganligi   sababli,   vaqt   doimiylarida   sezilarli   o'zgarishlar   bo'lishi
mumkin. Masalan, “       Mexanobr-6A” flotatsiya mashinasi  uchun ishlash faqat  1,5-
3,5 m 3
/daqiqa ichida o'zgarganda(tavsiya etilgan qiymat diapazoni Q), kontsentratsiya
kanalidagi   T
2   vaqt   doimiysi   1,5   dan   0,65   daqiqagacha   o'zgaradi.   Shunday   qilib,
flotatsiya kamerasining dinamik koeffitsientlari taxminiydir, chunki ular Q tasodifiy
o'zgaruvchining funktsiyalari.
Flotatsiya mashinasida n kameralar ketma-ket ulanganligi va bitta kameraning
chiqish   parametri   keyingi   kameraning   kirish   parametri   bo'lib   xizmat   qilganligi
sababli,   u   butun   mashinaning   uzatish   funktsiyasini   olishdan   manfaatdor.   Agar   biz
T
1 =…     T
i =…   T
n ,   deb   hisoblasak,   u   holda   flotatsiya   mashinasini   uzatish   funktsiyasi
bilan yuqori tartibli inertsial bog'lanish bilan ifodalash mumkin
W
m	
( p	) = k
m
( T
k p + 1 ) n
bu   erda   k
m =k
1 k
2 …k
n -   butun   mashinaning   uzatish   koeffitsienti;   T
k -kamera   vaqtining
doimiyligi.   Shuningdek,   flotatsiya   mashinaning   approksimatsiya   usulining   birinchi
darajali jadvalli usullari ishlab chiqilgan bo`lib, ular adabiyotda keng tarqalgan.
                   Hozirgi vaqtda flotatsiya jarayonini avtomatlashtirishning ikkita yondashuvi
mavjud: flotatsiya mashinasining o'zini avtomatik boshqarish (o'zgaruvchan zo`riqish
bilan)   va   butun   flotatsiya   bo'limida   pulpa   oqimlarining   doimiyligini   avtomatik
saqlash   (buzilishlarni   stabillashtirish).   Flotatsiya   mashinasini   avtomatik   boshqarish
reagentlarni avtomatik etkazib berish (reagentlarni avtomatik dozalash)  va flotatsiya
mashinasida   pulpa   darajasini   nazorat   qilish   tizimlarini   o'z   ichiga   oladi.   Flotatsiya
Vara
q
O ’ lch Varaq Hujjat   № Imzo Sana KIRISH
Mamlakatimizning   iqtisodiy   salohiyatini,   ishlab   chiqarish   unumdorligini
rivojlanishi,   bugungi   demokratik   davlatimizda     kelajak     avlodlar     uchun         ko‘pgina
hollarda mineral hom ashyolarni   qazib olish va   ularni   qayta ishlash ko‘rsatkichlariga
bog‘liq bo‘ladi.
Foydali   qazilmalar   –   asosan     organik   va   noorganik     tabiiy   minerallar   bo‘lib,
hozirgi  rivojlangan texnologiyalar   yordamida tabiiy va qayta ishlangan   holda xalq
xo‘jaligida   yuqori   samara   bilan   foydalanish   mumkin   bo‘lgan   mahsulotdir.   Foydali
qazilmalar manbasi konlar, yerning geologik ta’siri natijasida foydali qazilmalarning
bir   joyga   to‘planishi   hisoblanadi.   Foydali   qazilmalar   qattiq,   suyuq     va   gazsimon
holda bo‘ladi.   
Foydali     qazilmalarning   turlariga   qarab   ularni   quyidagi   asosiy   guruhlarga
bo‘lish mumkin: 
- metalli   foydali qazilmalar   - qora va rangli metallar   olish uchun   xom-ashyo
hisoblanadi.  
- nometall   foydali   qazilmalar   -   qurilish,   keramika   va   boshqa   mahsulot   olish
uchun xom-ashyo hisoblanadi.  
- tabiiy   yoki   qayta   ishlangan   holdagi   yoqilg‘i   yoki   kimyo   sanoati   uchun   xom
ashyo hisoblangan, yoqilg‘i qazilmalari.  
O‘zbekiston konlarining foydali qazilmalarga nihoyatda boyligi, bir necha o‘n
million   tonna   qazib   oladigan   va   qayta   ishlaydigan   yuqori   texnik-iqtisodiy
ko‘rsatkichli   yirik   mexanizatsiyalashtirilgan   boyitish   va   metallurgiya   korxonalari
ko‘rish imkonini beradi.
Konchilik   sanoati,   hozirgi   zamon   texnika   darajasida   metall   yoki   mineral
mahsulot olish imkonini beradigan qattiq hom ashyoni beradi va qayta ishlaydi. 
Foydali   qazilma   konlarini   qayta   ishlashda   yer   ostidan   qazib   olishni   ko‘paytirish   va
ulardan kompleks foydalanish  asosiy shartlardan biri hisoblanadi.  
Rudalar – metall va uning birikmalaridan tashkil topgan mineral bo‘lib, tabiiy
kimyoviy birikmalar  hisoblanadi.  
Vara
q
O ’ lch Varaq Hujjat   № Imzo Sana Optimal   qiymatlarda   tuzatuvchi   tekshirgich   bilan   "Cu	ш	Q		   "   kanal   uchun
tezlashuv xarakteristikasini olib tashlash uchun
Optimal   qiymatlarda   tuzatuvchi   kontroller   bilan   «  	
Cu	ш	Q		   »   kanalidagi
obyektning tezlashtiruvchi xarakteristikasi
2.2. Rostlagichning sifat ko’rsatkichlarini aniqlash
Regulyator   sozlamalarini   hisoblash   quyidagi   yo'llar   bilan   amalga   oshirilishi
mumkin:
-obyektning   amplitudali   fazali   xarakteristikasi   va   M-mezon   asosida   grafik-
analitik;
- kengaytirilgan amplitudali o'zgarishlar xususiyatlariga ko'ra;
- taxminiy formulalar bo'yicha;
- matematik modellashtirish yordamida.
Vara
q
O ’ lch Varaq Hujjat   № Imzo Sana 2.1. Avtomatik rostlash tizim uchun rostlagich va rostlash qonunini
tanlash va hisoblash
Nazorat   qiluvchi   harakatlarning   asosiy   kanallari   bo‘yicha   model   bo‘yicha
flotatsion   texnologik   kompleksning   statik   va   dinamik   qonuniyatlarini   o‘rganish
MATLAB matematik paketi yordamida amalga oshirildi.
Simulyatsiya natijalari mis flotatsiya majmuasining kirish va chiqish qiymatlari
bilan bog'liq grafiklar shaklida taqdim etiladi.
Boyitish   zavodlarining   texnologik   jarayonlari   va   jihozlari   murakkab   tizimlar
bo'lib, ularning holati har bir vaqt momentida bir nechta kirish va chiqish qiymatlari
bilan   tavsiflanadi.   Chiqarish   qiymatlari   texnologik   jarayonning   holatini,   uning
samaradorligini va mahsulot sifatini tavsiflaydi.
Har bir chiqish miqdori bir nechta kirish miqdoriga bog'liq (nazorat qilinadigan
yoki   boshqarilmaydigan).   Kirish   qiymatlarining   chiqish   qiymatlariga   ta'siri   ta'sirni
uzatish   kanali   orqali   sodir   bo'ladi.   Ularning   umumiy   soni   boshqariladigan   m   va
boshqarilmaydigan n kirish va chiqish p qiymatlari soni bilan belgilanadi va (m + n)
p. Mumkin bo'lgan nazorat kanallari soni mp ga teng. Ulardan nazorat harakatlarining
boshqariladigan   parametrga   ta'sirini   tahlil   qilish   asosida   zarur   boshqaruv   kanali
tanlanadi.
Tekshirish kanalini tanlashda biz quyidagi qoidalarga amal qilamiz:
-chiqish   nazorat   qilinadigan   o'zgaruvchi   sifatida   biz   texnologik   operatsiya   yoki
jarayonning mohiyatini to'liq aks ettiruvchi texnologik parametrni tanlaymiz;
-tanlangan   boshqariladigan   parametrni   uzluksiz   avtomatik   nazorat   qilish
imkoniyatlarini   ushbu   parametrni   boshqarishning   mavjud   texnik   vositalarini   tahlil
qilish   va   nazorat   qilishning   to'g'riligini   baholash   orqali   baholaymiz.   Agar   ushbu
parametrni   avtomatik   uzluksiz   boshqarish   imkoni   bo'lmasa   yoki   biz   boshqarishning
aniqligidan   qoniqmasak,   boshqasi   sozlanishi   parametr   sifatida   olinadi,   bu   birinchisi
bilan  chambarchas   bog'liq  va  jarayonning  bilvosita   ko'rsatkichi  bo'lib  xizmat   qilishi
mumkin. va buning uchun etarli aniqlik bilan zarur nazorat vositalari mavjud;
Vara
q
O ’ lch Varaq Hujjat   № Imzo Sana O'tkinchi davrda oshib ketish miqdori 20% ga to'g'ri kelmaydi. Buning sababi,
boshqaruvchining sozlash parametrlari obyektning taxminiy vaqtinchalik javobi bilan
aniqlangan, kechikish bilan birinchi tartibning statik aloqasiga mos keladi.
Kanal uchun overclock xususiyatlarini olib tashlash uchun« Н
ш 
»
Tebranish bo'yicha «  Н
ш 
» kanalida tezlashuv xarakteristikasi
Raqamli   simulyatsiya   orqali   vaqtinchalik   jarayonning   talab   qilinadigan
xarakterini   ta'minlovchi   boshqaruvchining   optimal   sozlash   parametrlarini
topamiz.
Optimal kontroller sozlamalari:
k
р 1  = 1,4; T
и 1  = 8,8 c.
Vara
q
O ’ lch Varaq Hujjat   № Imzo Sana MUNDARIJA
KIRISH
I. TEXNOLOGIK QISM………………………………………………………..
1.1.  Flotatsiya usulida boyitish jarayonining tavsifi………………………………
1.2.  Flotatsiya jarayonining fizik-kimyoviy asoslari.……………………………..
1.3.  Flotatsiya jarayoni avtomatlashtirish obyekti sifatida tahlili……..…………...
1.4. Avtomatlashtirishning funksional sxema tavsifi……………………………...
II. HISOBIY  QISM……………..………………………………………………..
2.1 Avtomatik   rostlash   tizim   uchun   rostlagich   va   rostlash   qonunini   tanlash   va
hisoblash………………………………………………………………………………
2.2 Rostlagichning sifat ko’rsatkichlarini aniqlash ………………………………..
2.3 TIA PORTAL dasturlash muhitida jarayonni boshqarish dasturini yaratish…..
XULOSA ………………………………………………………………………….
FOYDALANILGAN  ADABIYOTLAR   ………………………………………...
Vara
q
O ’ lch Varaq Hujjat   № Imzo Sana 3204	Т/	к	
7,0	К	
со	со	со	2Р				16000Т3.0T
сосо2и 	

Keyin murakkab obyektning overclock xarakteristikasini  tuzatuvchi kontroller
bilan "	
Сu	ш	Q		  " kanali orqali olamiz
Tuzatish   regulyatori   bilan   "Z1-Qcu"   kanali   orqali   tezlashuv   xarakteristikasini
olib tashlash.
Tekshirish   moslamalarini   tanlab,   biz   o'tkinchi   jarayonning   kerakli   sifatiga
erishamiz   (20%   dan   oshib   ketadigan   jarayon),   shuning   uchun   biz   quyidagi
qiymatlarni olamiz:	
2650	к	2р		
c	1600	T	1и	
Tuzatuvchi   regulyator   bilan   «  	
Cu	ш	Q		   »   kanalidagi   ob'ektning   tezlashuv
xarakteristikasi
Vara
q
O ’ lch Varaq Hujjat   № Imzo Sana Flotatsiya   jarayoni   flotatsiya   reagentlari   bilan   ishlov   berilgan   mineral
zarralarni   havo   pufakchalariga   tanlab   biriktirish   xususiyatiga   asoslangan.
Reagentlarning   ta'siri   ba'zi   zarrachalarda   flotatsiya   faolligini   oshirishga   va
boshqalarda   uni   kamaytirishga   qaratilgan.   Natijada   pulpa   yuzasida   minerallashgan
ko'pik hosil bo'ladi.
                        Flotatsiya   kamerasi-bu   Q1(m3/daq.)   hajmli   oqim   tezligi   va   C1
konsentratsiyasiga   ega   bo'lgan   pulpa   doimiy   ravishda   kiradigan,   ikkita   mahsulotga
bo'lingan-konsentrat (Q2,C2) va qoldiqlar (Q3, C3).
Kameradagi   jarayonlar   doimiy   aralashtirish   bilan   amalga   oshiriladi,   bu   pulpaning
juda   intensiv   shamollatilishini   va   tarkibiy   qism   va   reagentlar   kontsentratsiyasining
hajmi   bo'yicha   bir   xilligini   ta'minlaydi.   Bu   flotatsiya   kamerasini   markazlashtirilgan
parametrlarga   ega   texnologik   ob'ekt   sifatida   ko'rib   chiqishga   imkon   beradi.   Bunday
kamera ajratish moslamasi sifatida taqdim etiladi, bu erda V - h, h1 va h2 qiymatlari
bilan   tavsiflangan   ish   hajmi.     Pulpa   va   ko'pikning   (h1+h2)   h   drenaj   darajasidan
umumiy balandligi hajmning o'zgaruvchan qismini aniqlaydi.
                        Flotatsiya   jarayonining   texnologik   samaradorligining   eng   oddiy
ko'rsatkichlari   chiqish   parametrlari,   masalan,   αк   konsentratidagi   metall   miqdori,   αx
qoldiqlaridagi   metallning   parchalanishi,   γк   konsentratning   chiqishi   va   γх
qoldiqlarning   chiq     ishi.   Effektivlikning   yanada   murakkab   mezoni   (uch   parametrli
ko'rsatkich) foydali komponentni konsentratga olishdir
∑▒ 〖=(α_(р-) α_x)/(α_k-α_x ) 〗    α_k/α_p   ,
αр- rudadagi metall tarkibi.
taklif   etilayotgan   mezonlarning   xilma-xilligiga   qaramay,   termodinamik,   kinetik   va
boshqalar,   amalda,   ko'pincha   qo'shimcha   shartlar   bilan   ekstraksiya   mezon   sifatida
ishlatiladi.
                        Flotatsiya   jarayoniga   ta'sir   qiluvchi   bir   necha   o'nlab   omillarni   ajratish
mumkin, ularning asosiylari: 
αр- ruda tarkibidagi metall tarkibi; ψр- oksidlanishni, loyqalanishni, faza tarkibini va
rudaning boshqa xususiyatlarini tavsiflovchi xom ashyoning flotatsiyasi; dп- ezilgan
Vara
q
O ’ lch Varaq Hujjat   № Imzo Sana                                               XULOSA
Kurs   ishida   oltin   ajratib   oluvchi   flotatsiyalash     loyixasi   ishlab   chiqilgan.
Amalda   mavjud   texnalogiya   asosan   solishtirish   yo’li   bilan   oltin   tarkibli   kvarsli
rudalarni qayta ishlashning mukammal texnologik jarayonlar sxemasi   ishlab chiqildi.
Flotatsiya   jarayonini   SIEMENS   SIMATIC   S7-1500   logik   kontrolleri   asosida
boshqariladi.   Kontrollerga   bir   necha   sensorlar   ulangan   bo’lib   ma’lumot   uzatuvchi,
yozuvchi va nazorat qiluvchi vazifasini bajaradi. 
Loyihada texnik va texnologik hisob kitoblar olib borildi, asosiy va yordamchi
dastgoxlar   tanlandi   va   hisoblandi,   shuningdek   loyihaning   umumiy   reja   hajmi   hisob
kitobi ishlab chiqildi va ular loyihani iqtisodiy jihatdan samaradorligini va   ekologik
jihatdan   xavfsizligini   ko’rsatadi.   Qurilishning   texnik   iqtisodiy   ko’rsatgichlari   shuni
ko’rsatdiki   ayni   loyixani   joriy   qilish   uchun   investitsiya   o’zini   2   yilda   qoplaydi.
Mahsulotning rentabelligi 50% ni tashkil qildi. Asosiy texnik iqtisodiy ko’rsatkichlar
loyixani   iqtisodiy   jihatdan   samaradorli   deb   ko’rsatadi   va   investitsiya   kiritishga
munosib sanaladi.
Kurs   ishining   tuzilmasi   quyidagicha:   Kirish,   Texnologik   qism,   Hisobiy   qism,
xulosa, foydalanilgan adabiyotlar. 
Ishning   kirish   qismida   mavzuning   dolzarbligi,   ishning   maqsadi   va   bajarilgan
ishning qisqacha mazmuni bayon etilgan.
Kurs   ishining   texnologik   qismida   Xavsizlik   tizimi   uchun   qo’llanilgan
kontrollerlar, tok manbai, relelar, har xil parametrlarni o’lchovchi datchiklar va tutun
detektorida   kechadigan   jarayonlar   va   ularni   avtomatlashtirish   boshqarish   usullari
keng yoritilgan. 
Hisobiy   qismida   esa   Flotatsiya   jarayonini   SIEMENS   SIMATIC   S7-1500
kontrolleri   yordamida   avtomatlashtirish   va   boshqarish   ko’rilgan   bo’lib,   ularning
rostlash   qonunlari   ko’rib   chiqilgan.   Jarayonda   PID   regulyatoridan   foydalanilgan
bo’lib, SIMULINC paketida barcha parametrlarning qiymatlari hisoblangan.
Xulosa   qilib   aytganda,   kurs   ishida   o’rganilgan   masalalar   o’zini   dolzarbligi
bilan   ajralib   turadi.   Bunda   olingan   ba’zi   natijalarni   “Texnologik   jarayonlarni
avtomatlashtirish   va   boshqarish”   kafedrasidagi   o’quv   jarayonida   qo’llash   mumkin.
Vara
q
O ’ lch Varaq Hujjat   № Imzo Sana 13. Учебное пособие № 216. Безопасность жизнедеятельности: Учебное
пособие для выполнения   домашнего задания / Е.П. Потоцкий, Н.В. 
Гриценко, Н.В. Мануев и др. Под ред. Л.С.Стрижко. –М.:МИСиС.
14. ГОСТ 12.1.005-88. Система стандартов безопасности труда. Общие 
санитарно-гигиенические   требование к воздуху рабочей зоны. – М.: 
Издательство стандартов, 1989.
15. СНиП 23-05-95. Естественное и искусственное освещение. Нормы 
проектирования. –М.:   Стройиздат, 1995.
16. Учебное пособие № 86. Охрана труда и окружающий среды / В.Н. 
Бринза, Б.С. Векшин, Н.В.   Мануев и др. Под ред. В.Н. Бринзы. – М.: 
МИСиС, 1985.
17. СНиП 2.09.02-85. Производственные здания. –М: Стройиздат, 1986.
18.   Nazarov   X . N .,  Jurayev   R .  Robototexni k   si s tem alar. T.: TDTU 2004y. - 50b
19. N.R. Yusufbekov, va boshq.«Avtomatik boshqarish nazariyasi» Toshkent. 
O`qituvchi 1995y. -217-b . 
20. Chupin A.V. Texnologik jarayon va uskunalar avtomatika tizimlarini 
hisoblash. - Kemerovo: KuzGTU, 2004. - 63 b.
21. Е.В. Прокофьев Автоматизация технологических процессов и 
производств: Методическое пособие по выполнению курсового проекта, 
Екатеринбург: Издание УГГУ 2007, 44с.
22. В.З. Персиц Разработка и патентование систем автоматизации 
обогатительных фабрик. - М.: Недра,1987,-295с.
23. Троп А.Е., Козин В.З., Прокофьев Е.В. Автоматическое управление 
технологическими процессами обогатительных фабрик: Учеб. Для вузов.:
- 2-е изд. перераб. и доп. М.: Недра, 1986.
24. Е.В. Прокофьев, В.Н. Ефремов Структурная и параметрическая 
идентификация технологических комплексов обогащения: Учебное 
пособие. - Екатеринбург: Изд-во УГГГА, 2000, 101с.
Vara
q
O ’ lch Varaq Hujjat   № Imzo Sana 1.2    Flotatsiya jarayonining fizik-kimyoviy xossalari
Mineral   zarrachalarning   suyuqlik-gaz   chegarasi   yuzasida   mahkamlanish
qobiliyati mineral zarrachalarning suv bilan ho‘llanish qobiliyatiga bog‘liq. 
Ho‘llanish   -   mineral   zarrachalar   yuzasining   suv   molekulalari   bilan   molekulyar
tortishish kuchi ta’sirida o‘zaro birikish hodisasidir. 
Ho‘llanish zarrachaning erkin yuza energiyasining kattaligiga bog‘liq. Erkin yuza
energiyasi   qancha   katta   bo‘lsa,   zarracha   yuzasi   shuncha   yaxshi   ho‘llanadi,   qancha
kichik bo‘lsa-shuncha  yomon  ho‘llanadi.  Suv bilan  ho‘llanmaydigan  yuzalar   gidrofob,
suv   bilan   ho‘llanadigan   yuzalar   esa   gidrofil   yuzalar   deyiladi.   (tarjimada   suvni   yaxshi
ko‘ruvchi va yomon ko‘ruvchi yuzalar).  
Suyuqlik   ichida   joylashgan   molekulaga   uni   o‘rab   turgan   hamma   qo‘shni
molekulalar bir xil tortishish kuchi bilan ta’sir qiladi. Buning natijasida molekulalarning
tortishish kuchi o‘zaro tenglashgan, molekulalarning o‘zi esa muvozanatda turadi.  
Suyuqlik yuzasida joylashgan molekula uchun esa molekulyar tortishish 
kuchlari muvofiqlashmagan. Molekula faqat suyuqlik tomonidan tortilishni his qiladi.
Bu kuchlar tenglashmagan va suyuqlik fazasining ichiga yo‘nalgan. Yangi ajralish 
sirtini hosil qilish uchun molekulalarning tortilishiga qarshi ish sarflash kerak.
Boyitish   mahsulotlari   va   dastlabki   mahsulotdagi   qimmatbaho   komponentning
miqdori bo'yicha chiqish va ajralishni hisoblash uchun formulalar chiqaramiz. 
Quyidagi belgilashlarni kiritamiz:
Q,   C   va   T   –   tegishli   ravishda   dastlabki   mahsulot,   boyitma   va   chiqindining
og’irligi, t/soat yoki t/ sutka;
α,   β   va   θ   –   dastlabki   ma h sulot,   boyitma   va   chi q indidagi     komponentning
mi q dori, %;
γ - ma h sulotning chi q ishi, % yoki birlik ulushida;
ε – ajralish, % yoki birlik ulushida. 
Chi q ishni ani q laymiz: 
boyitmaning chi q ishi
Vara
q
O ’ lch Varaq Hujjat   № Imzo Sana Ya’ni   olingan   natijalardan   “Avtomatik   boshqarish   nazariyasi”,   “Texnologik
jarayonlarni   avtomatlashtirish”,   “   Mikroprotsessorlar”   va   shu   kabi   fanlardan
o’tiladigan ma’ruza va amaliy mashg’ulot darslarida foydalanish mumkin.
Vara
q
O ’ lch Varaq Hujjat   № Imzo Sana Dastlabgi   flotatsiya   mashinasining   konsentrat   chiqishi   qismiga   sarf   datchiki
o’rnatilgan     va   bu   orqali   flotatsiya   jarayonining   borishi   nazorat   qilinadi,   ya’ni
flotatsiya   mashinasiga   havo   kirishi   liniyasiga   o`rnatilgan   va   reagentlar   kirishi
liniyasiga   o`rnatilgan   rostlash   qurilmalari   boshqariladi.   Dastlabgi   flotatsiya
mashinasidan   chiqqan   konsentrat   so`nggi   flotatsiya   mashinasi   2ga,   pastki   qismidan
chiqqan qoldiq bo`tana qoldiq flotatsiya mashinasiga yuboriladi. 
So`nggi   flotatsiya   mashinasin   chiqish   qismidagi   konsentrat   keyingi   jarayonga
yuboriladi, bu liniyaga Promag W 400 sarf o`lchash qurilmasi o`rnatilgan. Flotatsiya
mashinasi pastki qismidan chiqqan qoldiqlar 1-flotatsiya mashinasiga yuboriladi. 
Barcha   flotatsiya   mashinalarining   aylantirish   qismi   ishlashi   uchun   Siemens
SIMOTICS GP 6-2, 8-2 elektrodvigatellari ulangan va kontroller orqali boshqariladi. 
Barcha   o’lchash   qurilmalari   boshqarish   shitiga,   kontrollerga   yuboriladi   va
ma’lumotlar   qayta   ishlanib,   jarayon   boshqariladi   va   nazorat   qilinadi.   Agarda
qiymatlar belgilangan miqdorlardan chiqib ketsa, signalizatsiga ishga tushadi, avariya
holatlarida jarayon qurilmalari o’chiriladi.
Vara
q
O ’ lch Varaq Hujjat   № Imzo Sana Amalda,   regulyatorlarning   sozlashlari   odatda   taxminiy   formulalar   bilan
belgilanadi va keyin ularni tozalanadi.
PID   regulyatorining   sozlash   jarayoni   uchun   taxminiy   formulalar   bo'yicha
minimal integral kvadrat mezonlari bilan quyidagi qiymatlarga ega bo’ladi:
К
r = 1,4  T
um
К
um  ∙  τ
um  = 1,4  28,97
0,2464 ∙ 16,13  = 10,2 m	А	
(g/sm	3)  ,	
Тi
= 1,3 	∙τum = 1,3 	∙  15,13 = 20,96 s,	
Тd
 = 0,5 	∙τum = 0,5	∙ 26,13 = 7,065 s.          
Regulyator   sozlamalarini   takomillashtirish   Matlab   muhitida   ichki   Simulink
to'plami   yordamida   amalga   oshiramiz.   Simulinkdagi   avtomatik   tartibga   solish
tizimining modeli Rasmda keltirilgan.   
PID regulyatori sozlamalarini optimallashtirishda yagona elektronli avtomatik
boshqaruvchi tizimining modeli.
Simulinkda   PID-regulyatoriga   o'rnatilgan   sozlamalarni   belgilash   uchun   PID-
tartibga solish qonunining integral va differentsial komponentlari koeffitsientlarining
qiymatlariga   integratsiya   vaqti   va   oldindan   belgilash   vaqtini   o'tkazishmiz   kerak
bo’ladi: 
- proportsional komponentning koeffitsienti 
K
p   =   K
r   =   10,2	
m	А	
(g/sm	3) ;
- integral komponentning koeffitsienti 
K
i   =   K
r /T
i  =   0,478 	
m	А	
(g/sm	3)·s ;
- differensial komponentning koeffitsienti
Vara
q
O ’ lch Varaq Hujjat   № Imzo Sana Vara
q
O ’ lch Varaq Hujjat   № Imzo Sana γb=	С
Q	
⋅100	=	α−	θ	
β−	θ
⋅100	,%	ҳ	
γch	=	T
Q	
⋅100	=	β−	α	
β−	θ
⋅100	,%	ҳKomponentning ajralishini aniqlaymiz 
boyitmaga	
εб=	
C	β
100	
Q	α
100	
⋅100	=	Cβ
Q⋅α
⋅100	,%
chiqindiga	
εch=	
T	θ
100	
Q	α
100	
⋅100	=	Tθ
Q⋅α⋅100	,%
Komponentni boyitishning oxirgi mahsulotlariga ajralishi yig’indisi uni 100 %
deb qabul qilingan dastlabki mahsulot ajralishiga teng.	
εb+	εch	=	Cβ
Q	⋅α
⋅100	+	Tθ
Q⋅α
⋅100	=	Cβ	+	Tθ	
Q⋅α	
⋅100	=	100	%	
C
Q	
vа	T
Q
  larning   yu q orida   topilgan   q iymatlarini  	εbҳ,ҳε	ch   ga   qo'yib
ajralishni hisoblash uchun formulani olamiz.    	
εb=	C⋅β	
Q⋅α
⋅100	=	α−	θ	
β−	θ
⋅	β
α
⋅100	=	
γb⋅β
α	
εch	=	Tθ
Q	⋅α
⋅100	=	β	−	α	
β	−	θ
⋅θ
α
⋅100	=	
γch⋅θ	
α
Texnologik   ko'rsatgichlar   boyitish   fabrikalaridagi   boyitish   jarayonlarini
ba h olash uchun xizmat  q iladi.
1-misol.
Misli rudalarni boyituvchi fabrikaning ishlab chi q arish unumdorligi 420 t/soat.
Misning   miqqdori:   dastlabki   rudada   α=1,2   %   boyitmada   β=22   %,   chiqindida   θ=0,1
Vara
q
O ’ lch Varaq Hujjat   № Imzo Sana K
d   =   K
r ∙T
d   =   82,263 m	А·	s	
(g/sm	3) .
MATLABda   buyruq   satrida   tartibga   solish   qonunining   tarkibiy   qismlari
koeffitsientlarining qiymatlarini belgilashimizda:
>> Kp=10.2;Ki=0.478;Kd=82.263
va Simulinkdagi modellashtirish rasmda tasvirlangan o'tish jarayonini oladi
Regulyatorning dastlabki sozlamalarida 0,5 ma tashqi pog’ona ta'sirida o'tish jarayoni	
: Кr=10,2	m	А/(г/sm	3)
, 	 Тi=	20,97	s, Тd=8,065	s
Sozlagichning sozlamalarini optimallashtirish uchun Signal Constraint blokida
o'tish   jarayonining   turiga   cheklovlar   qo'yilishi   kerak   bo’ladi,   K
r ,   K
i   va   K
d
parametrlarini   sozlash   mumkin   bo’ladi.   Shundan   so'ng   optimallashtirish   jarayonini
boshlashimiz mumkin.
Simulink Response Optimization paketining signal Constraint qurilmasi
regulyatorlari parametrini optimallashtirish.
Vara
q
O ’ lch Varaq Hujjat   № Imzo Sana	
∆ρ(t)	, g/sm	³ t , s Foydalanilgan adabiyotlar ro'yxati
1. Mirziyoyev Sh.M.Milliy taraqqiyot yo’limizni qat’iyat bilan davom ettirib, 
yangi bosqichga ko’tarilamiz. T.:O’zbekiston,
2. Mirziyoyev Sh. Tanqidiy tahlil, qat’iy tartib intizom va shaxsiy javobgarlik – 
har bir rahbar faoliyatining kundalik qoidasi bo’lishi kerak.T.:O’zbekiston,  42 
b.
3. Стрижко Л.СМеталлургия золото и серебра. – М.: МИСиС, 2001
4. Масленицкий И.Н., Чугаев Л.В, Борбат В.Ф. Металлургия благородных 
металлов. – М: Металлургия, 1987.
5. Барченков А.В. Основы сорбционной технологии извлечения золота и 
серебра из руд. – М.:   Металлургия, 1982.
6. Doniyarov N.A., Voxidov B.R. «Nodir metallar metallurgiya» fanidan 
ma’ruzalar matni.  Navoiy , NDKI.   2013y.
7. Меретуков М.А. Развитие процесса интенсивного цианирования 
золотосодержащих гравитационных   концентратов // Цветная 
металлургия. – 2004. №4.
8. Шиврин Г.Н. Технологические расчеты процессов и оборудования 
золотоизвлекательных заводов. –   Красноярск, 1976.
9. Григорьев С.Г.,Татаринов А.П., Гудков С.С. Цветная металлургия. – М.: 
Металлургия, 1991.
10. СН-245-71. Санитарные нормы проектирования промышленных 
предприятий. – Переизд.   1999М.:Стройиздат, 1999.
11. Учебное пособие № 1123. Охрана труда и окружающей среды: 
Учебное пособие для дипломного   проектирования / В.Н. Бринза, Н.В. 
Мануев, А.Ф. Морин. Под ред. В.Н. Бринза. – М.:МИСиС, 1985.
12. ГОСТ 12.0.003-74. Система стандартов безопасность труда. 
Опасные и вредные производственные   факторы. Классификация. –
Переизд. Сентябрь 1999с изм. 1. –М.:ИПК издательство стандартов, 1999.
Vara
q
O ’ lch Varaq Hujjat   № Imzo Sana -boshqaruv harakati sifatida biz kiritilgan boshqariladigan qiymatni tanlaymiz, uning
tanlangan   boshqariladigan   o'zgaruvchiga   ta'sir   darajasi   eng   katta.   Kirish
parametrining  chiqishga   ta'sirini   baholash   ob'ektning  ushbu  kanal   bo'yicha  o'tkazish
koeffitsienti qiymati bilan amalga oshiriladi;
-tanlangan   nazorat   parametrining   ish   diapazonida   silliq   o'zgarishini   amalga   oshirish
imkoniyatini   baholash   amalga   oshiriladi.   Agar   bunday   imkoniyat   bo'lmasa,   pastroq
daromadga   ega   bo'lsa-da,   ushbu   imkoniyatlarga   ega   bo'lgan   boshqa   parametr
tanlanadi;
-tanlangan   boshqaruv   kanalining   dinamik   xususiyatlari   baholanadi.   Baholash   t/T   ga
nisbatan   amalga   oshiriladi   va   bu   nisbatning   qiymati   kichikroq   bo'lgan   kanalga
afzallik   beriladi,   agar   nisbatlar   teng   bo'lsa,   T   va   t   kichikroq   kanallarga   afzallik
beriladi.
Sozlanishi qiymat sifatida biz flotatsiya mashinasida pulpa darajasining qiymatini
tanlaymiz.
Ushbu qiymatni nazorat qilish uchun talab qilinadigan aniqlik va ishonchlilikni
qondiradigan texnik vositalar mavjud, masalan, ''PROBE'' daraja sensori.
Pulpa   darajasining   qiymati   biz   eshik   sifatida   ishlatadigan   tartibga   soluvchi
organni harakatlantirish orqali tartibga solinadi.
Ushbu   tahlilga   asoslanib,   mumkin   bo'lgan   nazorat   kanallaridan   biri   "eshik
holati - flotatsiya mashinasidagi pulpa darajasi" ("Dash - DH") tanlanadi.
Rostlanadigan obyektni boshqarish kanalining statik va dinamik xususiyatlariКCu	Cu	Q	Q	
Vara
q
O ’ lch Varaq Hujjat   № Imzo Sana Vara
q
O ’ lch Varaq Hujjat   № Imzo Sana Vara
q
O ’ lch Varaq Hujjat   № Imzo Sana Ruda tarkibidagi minerallar, qimmatbaho komponentlar va puch tog‘jinslaridan
iborat   bo‘ladi.   Bunday   minerallarga   misli   (xalkozin,   xalkoprit),   ruxli   (sfalerit,
smitsonit), qo‘rg‘oshinli (galenit, syerussit) va hokazolar kiradi.  
Puch tog‘  jinslarga tarkibida ajratib olinadigan va qimmatli  metall  bo‘lmagan
jinslar kiradi. Bunday minerallarga kvars, karbonatlar, silikatlar va hokazolar kiradi.  
Bu  yerda  foydali   mineral,  zararli   yoki   foydali  qo‘shimcha,   puch  tog‘    jinslari
tushunchalarining nisbiyligini takidlab o‘tish lozim. Mineralning bu tushunchalarning
qaysi   biriga   mansubligi   faqat   foydali   qazilmani   berilgan   turigagina   bog‘liq.   Bitta
mineralning   o‘zi   dastlabki   mahsulotda   foydali,   boshqasida   esa   puch   tog‘     jinsi
bo‘lishi   mumkin.   «Puch   tog‘   jins»   tushunchasi   ham   shartli   hisoblanadi.   Chiqindisiz
metallurgik   texnologiya   va   jarayonlar   yaratishga   yo‘naltirilgan   metallurgik
texnologiyaning   taraqqiyoti,   qurilish   materiallari   olish   uchun   puch   tog‘   jinslarning
barcha komponentlaridan foydalanish mumkinligini isbotladi.  
Boyitma     tarkibida     mahsulotlardagi     foydali   mineral   va   foydali
qo‘shimchalarning   asosiy   qismi   bo‘lsa,   chiqindida   puch   tog‘   jinslari   va   zararli
qo‘shimchalarning   katta   qismi   ajratiladi.   Chiqindi   boyitish   jarayonidan   chiqarib
tashlanadi  va  chiqindilar   maydonida yig‘iladi, boyitma  esa  keyingi   qayta ishlash   va
ishlatishga jo‘natiladi.  
Rudaning  tarkibi odatda kimyoviy yo‘l bilan aniqlanadi. Biroq amalda buning
o‘zi   kamlik   qiladi.   Hom   ashyo   tarkibida   mavjud   bo‘lgan   minerallar   to‘rini
(mineralogik   tarkib)   va   qayta   ishlanayotgan   xom-ashyoning   barcha
komponentlarining   minerallar   bo‘yicha   taqsimlanishini   (fazoviy   tarkib)larini   bilish
kerak.  
Mineralogik va fazoviy tahlilni bilish, metallurgik qayta ishlaganda hom ashyo
tarkibidagi   barcha   komponentlarining   o‘zini   to‘tishini   oldindan   aytish,   to‘g‘ri
ratsional   texnologiyani   tanlash   va   boyitish   jarayonlaridagi   amallarni   to‘g‘ri   bajarish
imkonini beradi.  
Boyitish   texnologiyasini  rivojlanishi va takomillashuvi hamda xom-ashyodan
kompleks   foydalanishning   oshishi,   ya’ni   qancha   ko‘p   qimmatli   komponent   olinsa,
Vara
q
O ’ lch Varaq Hujjat   № Imzo Sana γb=	С
Q
⋅100	,%	ҳC hi q indining chi q ishi	
γch=	Т
Q
⋅100	,%	ҳ
Boyitish   oxirgi   mahsulotlari   chiqishlarining   yig’indisi   100   %   deb   qabul
qilinadigan dastlabki mahsulotning chiqishiga teng.	
γb+γch=	С
Q	
⋅100	+	Т
Q	
⋅100	=	C	+T	
Q	
⋅100	=	100	%ҳ
Muvozanat  tuzamiz: 
ma h sulot bo'yicha 
Q=C+T
komponent bo'yicha	
Q⋅	α
100	=	C	β
100	+T	θ
100	
Q⋅α=	Cβ	+Tθ
Mahsulot muvozanati tenglamasidan
T  = Q - C
C = Q – T
T va C larning qiymatini komponentning muvozanati tenglamasiga qo'ysak	
Q⋅α=	Cβ	+(Q	−	C	)θ
va	
Q⋅α−	(Q	−	T	)β+Tθ
bundan	
C
Q	
=	α−	θ	
β−	θ
va  	
T
Q	
=	β−	α	
β−	θ
U holda chiqishlarni hisoblash uchun hisoblash formulasini olamiz.
Vara
q
O ’ lch Varaq Hujjat   № Imzo Sana  
Vara
q
O ’ lch Varaq Hujjat   № Imzo Sana

MUNDARIJA

KIRISH

  1. TEXNOLOGIK QISM………………………………………………………..
    1.  Flotatsiya usulida boyitish jarayonining tavsifi………………………………
    2.  Flotatsiya jarayonining fizik-kimyoviy asoslari.……………………………..
    3.  Flotatsiya jarayoni avtomatlashtirish obyekti sifatida tahlili……..…………...
    4. Avtomatlashtirishning funksional sxema tavsifi……………………………...
  2. HISOBIY  QISM……………..………………………………………………..
    1. Avtomatik rostlash tizim uchun rostlagich va rostlash qonunini tanlash va hisoblash………………………………………………………………………………
    2. Rostlagichning sifat ko’rsatkichlarini aniqlash ………………………………..
    3. TIA PORTAL dasturlash muhitida jarayonni boshqarish dasturini yaratish…..

XULOSA………………………………………………………………………….

Foydalanilgan ADABIYOTLAR ………………………………………...