• Всего документов: 5844
  • Число пользователей: 15250

Parametrik o‘zgartirgichlarni xatoliklarini o‘rganish va tahlil qilish

A.A.Tulyaganov,   SH.T.Toshmatov.   Elektronika   va   sxemotexnika.   –T.:
«Aloqachi», 2017, 396 bet.
15. X.K.Aripov, A.M.Abdullaev, N.B.Alimova, X.X.Bustanov, Ye.V.Ob’edkov,
Sh.T.Toshmatov. Sxemotexnika. T.: ALOQACHI, 2010g.
16. Digital Logic Design, Jiwang Ware Z Scene. Fourth Edition, 2002u.
17. Multisim User Guide. National Instruments, 2007 y.
18. Robert L. Boyleastad. Introductory Circuit analysis. 2014-Pearson Education
Limited,  1091p.
19.   Stephon   Brown,   Zvonko   Vranesic.   Fundamentals   of   Digital   Logic   with
Verilog Design. 2014-The Mc Grow-Hin Companies. 847p.
20.   Behzad   Razavi.   Fundamentals   of   Microelectronics.2nd   edition.2014   John
Wiley&Sons. 932 p
Elektron resurslar
1. www.ziyonet.uz   
2. www.diplomba.ru
3. WWW.    doklad.ru   
4. WWW.    domashke.net   
5. WWW.    Allbest.ru   
6. WWW.    REFSRU.ru   
7. http://www.abook.ru
8. www.ecounit.ru/   
Vara
q
O ’ lch Varaq Hujjat   № Imzo Sana 1.2. O’lchash sxemalari uchun unversal ta' minot blokining sxema
elementlarini tanlash.
O’lchash   sxemalari   uchun   universal   ta’minot   blokining   sxemasini   qurishda
asosan   radiotexnika   qurilmalaridan   foydalaniladi.   Elektron   va   o’lchov
qurilmalarining ishlashi  uchun ta’minot manbalari ishlatiladi. Ta’minot manbalari
o’z navbatida ikki turga bo’linadi:
- Birlamchi ta’minot manbasi;
- Ikkilamchi   ta ’ minot   manbasi .  
Birlamchi   ta ’ minot   manbasiga   to ’ g ’ ridan - to ’ g ’ ri   elektr   energiyani   ishlab
chiqarish   kiradi .   Bularga   akkumulyatorlar,   batareyalar,   quyosh   batareyalari,
o’zgaruvchan va o’zgarmas tok generatorlari kiradi. 
Birlamchi  ta’minot  manbalari  birlamchi  ta’minot  manbalarining energiyasini
aniq   electron   qurilmalar,   radioelektron   apparaturalar   hamda   o’lchov   asboblari
uchun ta’minot manbasi energiyasi sifatida o’zgartirib beradi. 
Keng   qo’llaniladigan   electron   qurilmalar   va   xo’jalikda   va   ishlab   chiqarish
qo’llaniladigan   radioelektron   apparaturalarda   ikkilamchi   ta’minot   manbalari
qo’llaniladi. Ushbu turdagi ta’minot manbalari asosan o’zgarmas tokli 5, 9, 12, 15
va 27 V kuchlanishini beradi.
Ta’minot   bloki   —   bu   qurilma   bo’lib,   tarmoqdagi   o’zgaruvchan   tok
kuchlanishini o’zgarmas tokli kuchlanishga o’zgartirib berish uchun mo’ljallangan.
Tarmoqdagi   elektr   parametrlari:   kuchlanishi   o’zgaruvchan   tokda   220   Volt,
chastotasi esa 50 Hz hisoblanadi.
Klassik   ta’minot   bloklarida   asosan   transformatorli   ta’minot   bloki   asosiy
hisoblanadi. Umumiy holatda ta’minot bloki pasaytiruvchi transformator, ya’ni uni
birlamchi   chulg’ami   tarmoq   kuchlanishiga   mos   holatda   o’ralgan.
Transformatordan   keyin   o’zgaruvchan   tokni   o’zgarmas   tokka   aylantirib   beruvci
to’g’rilagich   ulanadi.   Ko’plab   holarda   to’g’rilagich   bitta   dioddan   tashkil   topsa,
bunday to’g’rilagich bir yarim davrli to’g’rilagich deb aytiladi. Agar to’g’rilagich
4 ta dioddan tashkil topgan bo’lsa, u holda ikki yarim davrli to’g’rilagich deyiladi.
Vara
q
O ’ lch Varaq Hujjat   № Imzo Sana KIRISH
Jahonda   yuqori   aniqlikda   ishlovchi   va   ishonchliligi   aniq   bo’lgan   o’lchov
sxemalariga bo’lgan talab kun sayin ortib bormoqda. Ch unki o’lchov sxemalarida
qo’llaniladigan   o’zgartirish   elementlari   juda   aniq   ishlashi   kerak.   O’lchangan
kattalikni   interfeys   (ekran,   monitor)   ga   chiqarish,   ikkilamchi   asboblarga   uzatish,
boshqarish tizimlariga uzatish kabi vazifalarni amalga oshirishda bevosita ta’minot
bloklaridan foydalaniladi. Universal ta’minot bloklaridagi filtlar, transformatorlar,
diodli ko’priklar va boshqa yordamchi qurilmalaridagi signal o’zgarishi jarayonida
yuqori   aniqlikda   borishi   muhim   omillardan   hisoblanadi.   Universal   bloklarda
asosan elektron qurilmalar va elementlar qo’llaniladi.
Hozirgi   vaqtda   elektronika   asboblarini   turlarining   soni   shunchalik   ko’pki,
ularning   har   birini   qarab   chiqishning   imkoni   yo’q.   O’lchov   vositalari   uchun
qo’llaniladigan   universal   bloklarning   tarkibida   zamonaviy   elektron   qurilmalardan
tashkil   topgan.   Shuning   uchun   biz   ulardan   eng   ko’p   ishlab   chiqariladigan   va
sanoatda   eng   ko’p   qo’llaniladigan   elektron   asboblarnigina   ko’rib   chiqamiz.
Elektron   asboblarni   o’rganishda   insonning   ilmiy   dunyoqarashi   o’zgaradi,   uning
intellektual   rivojlanishini   rag’batlantiradi,   eng   qiziqarli   mashg’ulotiga   aylanadi.
Elektron   asboblarni   ma’lum   bir   obyekt   yoki   hodisa   to’g’risida   yaxlit   tasavvur
beruvchi   bilimlar   tizimi   bo’lish   bilan   insonlarda   oldindan   ko’ra   bilish,   bashorat
qilish,   rejalashtirish   ko’nikmalarini   hosil   qiladi.   Elektron   asboblar i ni ng   ishlashini
baholashda   aniq   modellar   borligini   yodda   t u tish   kerak   (model   soddalashtirilgan
matematik   shaklga   solingan   g’oya   va   tasavvurdir).   Uning   amaliyot   bilan
bog’liqligi   esa   aniq   energetik   fanlar   orqali   amalga   oshirib   kelinadi.   Ishlab
chiqarishdagi   mashina   va   mexanizimlarning   mehnat   unumdorligini   oshirish   va
sifatli   mahsulot   ishlab   chiqarish   ushbu   sanoat   qurilmalarining   avtomatlashganlik
darajasiga   bevosita   bog’liqdir.   Sanoat   qurilmalarining   avtomatlashganlik   darajasi
bu   qurilmalarning   zamonaviy   va   energetik   ko’rsatkichlari   yuqori   bo’lgan   texnika
vositalari bilan jihozlanishi bilan belgilanadi. Sanoat qurilmalari ishchi organlarini
harakatlantiruvchi   va   ularni   boshqaruvchi   avtomatlashtirilgan   boshqaruv
Vara
q
O ’ lch Varaq Hujjat   № Imzo Sana To‘g‘rilash   sxemasida,   ulab-uzgich   SA2   orqali   sig‘imlari   o‘zgartiriladigan
kondensator   S1   va   S2   lardan   iborat   filtr   mavjud.   Sig‘imli   filtr,   o‘zining   zaryadi
paytida   kuchlanishni   yig‘ishi   va   uni   to‘g‘rilangan   kuchlanishning   yarim   davrlari
orasidagi   tanaffus   (pauza)   paytidagi   at   ok   razryadi   hisobiga   kuchlanish   pulsa-
siyasini silliqlanishini hosil qiladi.
15-rasm. Bir fazali bir yarim davrli to‘g‘rilagichnivirtual modelining
grafigi
O’lchov   natija0lari   bo’lgan   maydonda   (A   kanalidagi)   to’lqin   shakli   qizil
rangda   ko’rsatilgan.   Ko’k   rangda   –   chiqish   kuchlanishi   (kanal   B).   Birinchi   kanal
uchun bir yarim davr vertikal bo’linish o’lchami 200 V/div, ikkinchi kanal uchun
esa   500   dir.   Tajriba   ishi   uchun   buni   ataylab   to’lqin   shakllarini   vizual   ravishda
ajratish uchun qilingan, aks holda ular birlashardi. Ekranning chap uchidagi sariq
vertikal   chiziq   metrga   teng,   maksimal   amplituda   bo’lgan   nuqtadagi   kuchlanish
qiymati qora ekran ostida tasvirlangan.
Vara
q
O ’ lch Varaq Hujjat   № Imzo Sana 4.2- § . Texnik-iqtisodiy ko’rsatkichlar…………..…………….…………..…... 
4.3-§. Kapital   xarajatlarni hisoblash …………..…………….…………..…......
4.4-§. Amortizatsiya ajratmalari hisobi ……..…………….…………..…........
4.5-§. Suv iste’mol sarfini tejash  harajatlari …………………………………..
4.6-§. Iqtisodiy samaradorlikni hisoblash …..…………….…………..…........
V-BOB.   HAYOT FAOLIYATI XAVFSIZLIGI
5 .1- § .
Mehnat   muhofazasi  va xavfsizlik texnikasi …………………………..
5.2-§.
Favqulotda vaziyatlar va fuqaro muhofazasi ………………………….
5.3-§.
Atrof-muhit muhofazasi ……………….………………………………
XULOSA..............................................................................................................
FOYDALANILGAN ADABIYOTLAR............................................................
Vara
q
O ’ lch Varaq Hujjat   № Imzo Sana (maishiy elektr uzatish liniyalarida eng ko‘p uchraydigan nosozlik) vaqtida yukni
normal quvvat bilan ta’minlashga qodir. Natijada, batareyalarning ishlash muddati
oshadi.   Chiziq-interaktiv   sxemaning   kamchiliklari   yukning   batareya   quvvatiga
nolga teng bo'lmagan o'tkazish vaqti (~ 4 ms).
Ushbu   unversal   ta'   minot   blokini   qabul   qilinadigan   kirish   kuchlanishining
o'zgarishi   diapazoni   220   V   nominal   qiymatining   -20%   dan   +20%   gacha   bo’lishi
maqsadga muvofiq hisoblanadi.
Uzluksiz   quvvat   manbai,   unda   kirish   o'zgaruvchan   kuchlanish   birinchi
navbatda   to’g’rilagich   tomonidan   o’zgarmasga,   so'ngra   inverter   tomonidan   yana
o'zgaruvchan kuchlanishga aylantiriladi, bu ikki tomonlama kuchlanish o’zgartirish
bo'lgan manbadir. Saqlash akkumulyatori doimiy ravishda to’g’rilagich chiqishiga
va inverter kirishiga ulanadi.
Bunday   unversal   ta'   minot   blokini   qurilish   sxemasi   har   qanday   tarmoqdagi
nosozliklar   (shu   jumladan   yuqori   voltli   impulslarni   filtrlash   va   elektromagnit
parazitlarni)   sodir   bo'lganda   deyarli   ideal   yuklama   quvvatini   ta'minlashga   imkon
beradi   va   qurilmaning   chiqishida   vaqtinchalik   jarayonlarsiz   favqulodda   rejimga
nolga o'tish vaqti bilan tavsiflanadi.
Ikki   kuchlanishli   o’zgartirish   sxemasining   kamchiliklari   uning   nisbatan
kattaroq   murakkabligini   va   natijada   yuqori   narxni   o'z   ichiga   oladi.   Ular   to’g’ri
kirish   kuchlanish   stabilizatori   bilan   jihozlangan,   buning   natijasida   manba
akkumulyator   quvvatiga   o'tmaydigan   qabul   qilinadigan   kirish   kuchlanish
qiymatlari diapazoni 166 V dan 276 Voltgacha bo’ladi.
Shu bilan birga, funksional sxemaning takomillashtirilgan birliklari va shunga
mos   ravishda   xarakteristikalar   yaxshiroq   ishlash   parametrlari   boshqa   turda
ta’minot   bloklariga   nisbatan   arzonroq   narxga   ega   bo'lgan   raqobatbardosh
mahsulotni olish imkonini beradi.
Vara
q
O ’ lch Varaq Hujjat   № Imzo Sana 3.4. Mikrokontroller orqali boshqaruvli laboratoriya ta’minot bloki
sxemalari
Ushbu   taklif   etilayotgan   mikrokontroller   orqali   boshqaruvli   laboratoriya
ta’minot   bloki   Atmel   AVR   mikrokontrolleri   asosida   ishlab   chiqilgan.   Ushbu
misolda   mikrokontrollerda   dastur   yozish   strukturasini   qurish   prinsiplarini   qarab
chiqamiz.   Ta’minot   bloki   bo’yicha   elektron   qurilmani   ishlab   chiqish   bo’yicha
radio qurilmalar tanlanadi. 
Yaratilayotgan ta’minot bloki uchun quyidagi talablar bo’lishi zarur: 
1. 0 dan 50 V gacha kuchlanish;
2. 5  А  gacha maksimal yuklanish tok kuchi;
3. 0 dan 5  А  gacha tok kuchining oshishi bo’yicha himoya o’rnatish;
4. Foydalanishga qulay bo’lishi;
5. Ta’mirlashga va sozlashga qulay bo’lishi;
6.   Qo’llanilgan   mikrokontroller   modullarini   boshqa   tizimlarga   qo’llanilish
mumkinligi.
Taklif   etilayotga   ta’minot   blokini   qurish   uchun   quyidagi   sxemada   berilgan
elementlar bo’lishi kerak.
34-rasm. Ta’minot blokining struktur sxemasi.
Vara
q
O ’ lch Varaq Hujjat   № Imzo Sana 3.1.  Unversal ta'minot blokidagi to’g’rilagichlarni MULTISIM
dasturida tadqiq etish
3.1.1. Bir fazali bir yarim davrli to‘g‘rilagichni virtual modelini
tekshirish.
Bir yarim davrli to‘g‘rilagichni ishlashini o‘rganish uchun, Multisim dasturida
ushbu to‘g‘rilagichni virtual modelining sxemasi yig‘iladi.
O‘zgaruvchan   kuchlanish   (birlamchi   kuchlanish   u1)   generator   G   dan
transformatorning   birinchi   cho‘lg‘amiga   beriladi.   Transformatorning   ikkinchi
cho‘lg‘amida,   qiymati   transformatsiya   koeffitsienti   Kt   bilan   aniqlanadigan
kuchlanish   (ikkilamchi   kuchlanish   U2)   hosil   bo‘ladi.  Diod   D  orqali   to‘g‘rilangan
kuchlanish u0, ulab-uzgich SA1 ning holatiga qarab, aktiv yuklama qarshiligi Rn
yoki   induktiv   yuklama   zanjiri   L-R1   ga   beriladi.   Bu   holatlarda,   ushbu   zanjirlar
orqali faqat musbat qutblangan yarim davrli kuchlanish impulslari o‘tadi. 
14-rasm. Bir fazali bir yarim davrli to‘g‘rilagichnivirtual modelining
sxemasi.
Vara
q
O ’ lch Varaq Hujjat   № Imzo Sana sxemalarini   tuzilishi   nuqtai   nazaridan   berilgan   hisob   bo’yicha   foydalanish
shartlari:   elektr   yuklamalar   koeffitsiyenti,   temperature,   nisbiy   namlik,   texnik
yuklama va h. k.;
N
i  – radio elementlarning soni.
To’xtashgacha   T   bo’lgan   ishlash   vaqti   qiymatini   quyida   berilgan   formula
orqali aniqlanadi:T=	1/λΣ
, (15)
To’xtamay   ishlash   P(t)   ehtimoli   qiymatini   quyida   berilgan   formula   orqali
aniqlanadi: 	
P	(t)=	e
−λΣt
(16)
Bu yerda t – soatida o’lchov vositasining berilgan to’xtamay ishlash vaqti.
Hisoblashlar   natijasida   olingan   qiymatlar   ma’lumotnomada   berilgan
qiymatlar bilan taqqoslanadi.
3-jadval   –   konstruksiyadagi   elementlarning   ma’lumotnomadagi   va   hisoblab
topilgan ma’lumotlari.
Element   turi,
nomlanishi	
λ0i⋅10	−6 K
н i	α12	i	α34	i	λi⋅10	−7 N
i
Kondensatorlar 0,05 0,625 0,2 2,0 0,2 13
Mikrosxemalar 0,08 0,65 0,5 1,0 0,4 3
Rezistorlar 0,01 0,03 0,5 2,0 0,1 29
Eruvchan
saqlagichlar 0,5 0,2 0,5 2,0 5,0 1
Vara
q
O ’ lch Varaq Hujjat   № Imzo Sana o’zgartirgichining   yuqori   va   pastki   yelkalarini   boshqarish   drayveri   o'rnatilgan,
kuchaytirilgan   sxema   bo'yicha   quvvatlanadi.   Q1   va   Q2   -   yarim   ko'prikli   inverter
tranzistor,   transformator,   katta   LCD   indikatorining   quvvat   manbaidan   tayyor
bo'lib, ikkala yarmini bitta sifatida ishlatiladi. DA3 va kichik TV3 transformatori u
yerda bir xilda olinadi, ta’minot blokining quvvat manbai uchun 20 V kuchlanish
manbai   sifatida   ishlatiladi.   Optron   1   himoya   sifatida   ishlatiladi,   ortiqcha
kuchlanishdan   (optronsiz,   blok   63   V   ishlab   chiqaradi),   yuqorida   aytib   o'tgan
ikkinchi optron qo’llaniladi. 
Vara
q
O ’ lch Varaq Hujjat   № Imzo Sana To’g’rilagichdan   chiqqan   kuchlanish   har   doim   to’g’ri   bo’lmaydi.   Uni   to’g’rilash
uchun  fitrlardan   foydalaniladi.   Odatda   kichik  chastotali   fitr   sifatida   katta  sig’imli
kondensatorlardan foydalaniladi. 
Universal   ta’minot   blokining   asosiy   elementlarida   quyida   berilganlar
isoblanadi:
- transformator;
- diodli ko’prik;
- integral kuchlanish stabilizatori;
- kaskadli kuchaytirgich;
- kichik chastotali fitr.
Elektron qurilmalar kichik quvvatli (10 Vatt gacha olib yuruvcgi radio qabul
qilgichlar), o’rta quvvatli (10 Vatt dan 300 Vatt gacha tovush kuchaytirgichlari va
televizorlar), katta quvvatli (300 Vatt dan 1000 Vatt gacha yuqori quvvatli tovush
kuchaytirgichlari,   radio   qabul   qilgichlar)   larga   bo’linadi.   Juda   yuqori   quvvatli
apparaturalar   (1   kVatt   dan   100   kVatt   gacha   konsert   zallaridagi   tovush
kuchaytirgichlari,   radiostansiyalar)   hamda   elektr   dvigatellarini   boshqarish   uchun
qo’llaniladigan yuqori quvvatli uch fazali to’g’rilagich o’rnatmalari va o’zgarmas
tok generatorlarida ham qo’llaniladi. 
Uzluksiz   quvvat   manbai   unga   ulangan   har   qanday   qurilmaning   kechayu
kunduz   ishlashini   ta'minlashi   va   chiqish   parametrlarini   saqlab   turishi   kerak,
shuning  uchun unga  loyihalashda  ham,  kontaktlarning  zanglashiga  olib  keladigan
elementlarini   tanlashda   ham   qat'iy   talablar   qo'yiladi.   An'anaviy   ravishda   sxema
elementlarini umumiy foydalanish va maxsus elementlarga bo'lish mumkin.
Umumiy foydalanish elementlari ommaviy ishlab chiqarilgan mahsulotlardir,
shuning uchun ular juda keng standartlashtirilgan. Elementlarning texnik, iqtisodiy
va   sifat   ko'rsatkichlari,   parametrlari   va   o'lchamlari   standartlar   va   me'yorlar   bilan
belgilanadi.  Tipik elementlarni tanlash normal ish sharoitida ham, turli xil ta'sirlar
(iqlim,   mexanik   va   boshqalar)   ostida   ularning   xususiyatlarini   tavsiflovchi
parametrlar va xususiyatlarga ko'ra amalga oshiriladi.
Vara
q
O ’ lch Varaq Hujjat   № Imzo Sana 18-rasm. Nurlatuvchi diodni tashqi ko‘rinishi, qurilmasi va shartli
belgilanishi
Nurlatuvchi diod VAXsining to‘g‘ri shahobchasiito'g'ri=	f(U	to'g'ri)   ni 
o‘lchaymiz. 
19-rasm. Nurlatuvchi diodni VAX ni o‘lchash sxemasi	
LED 1	
R1
1kΩ	
V110V 	
U1	
DC  1e-009Ohm	
8.22m	A	+	-	
U2DC  10MOhm	1.78	V	+
-
20-rasm. Nurlatuvchi diodni(qizil rangli) VAX ni o‘lchash sxemasi
Vara
q
O ’ lch Varaq Hujjat   № Imzo Sana Rostlagichning   quvvat   elementi   Q 1   p - kanalli   maydonli   tranzistorida   amalga
oshiriladi ,   bu   tranzistorga   taqdim   etilgan   talab   oddiy   -   maksimal   kuchlanish
kamida   bir   yarim   marta   quvvat   manbai   kuchlanishidan   yuqori   bo ' lishi   kerak ,
maksimal   tok   kuchi   maksimal   yuklama   tokidan   kamida   ikki   marta   va   ochiq
kanalning   qarshiligi   parallel   ravishda   ikkita ,   uchta   tranzistorni   hech   qanday
tekislash   rezistorlari   va   induktivliklarisiz   ulash   orqali   osonlik   bilan   kamaytirilishi
mumkin .  Bu   impulsli   rostlagich   emas . 
Kuchlanishni   sozlash   Q 1   tranzistorining   ochilishida   Q 2   tranzistorining
zatvoridagi   kuchlanish   o ' zgarishi   bilan   sodir   bo ' ladi .   Q2   yopilganda,   Q1
qopqog'idagi kuchlanish quvvat kuchlanishiga teng va tranzistor yopiladi. Shunday
qilib,   2   va   3   kirishlaridagi   kuchlanish   tenglashtirilgunga   qadar   stabilizatorning
chiqishidagi   kuchlanish   kuchayadi.   Kirish   kuchlanishining   qiymatini   0   dan   5   V
gacha   o'zgartirib,   stabilizatorning   chiqishidagi   kuchlanishni   o'zgartirishingiz
mumkin.   R5,   R8   va   C2   kondansator   rezistorlari   PWM   impulslarini   doimiy
kuchlanishga   aylantiradigan   integratorni   hosil   qiladi.   Operatsion
kuchaytirgichlarning   sxemotexnikasining   xususiyatlari   shundaki,   agar   manfiy
quvvat   chiqishi   yerga   ulangan   bo'lsa,   OK   chiqishida   nol   kuchlanishni   olish
mumkin emas  va  shunga  mos  ravishda  stabilizatorning chiqishida   500 -  700  MV
ga yetgan kuchlanish paydo bo'ladi.
Operatsion kuchaytirgichlarning sxemotexnikasining xususiyatlari shundaki,
agar manfiy quvvat chiqishi yerga ulangan bo'lsa, OK chiqishida nol kuchlanishni
olish mumkin emas va shunga mos ravishda stabilizatorning chiqishida 500 - 700
mV ga yetgan kuchlanish paydo bo'ladi.
Quyidagi   rasmda   boshqarish   va   ko’rsatish   qismi   ko’rsatilgan.   Displey
sifatida Santai firmasining LCD indikatori qo’llanilgan. Uning gabarit o’lchamlari:
indikator eni 150 mm, 2 qatorda 20 ta belgilar kiritiladi.
Vara
q
O ’ lch Varaq Hujjat   № Imzo Sana Zahira   turdagi   universal   ta’minot   blokining   afzalligi   uning   soddaligi   va
arzonligi, kamchiligi esa batareya quvvatiga nolga teng bo'lmagan o'tish vaqti (~ 4
ms)   va   ularning   yanada   intensiv   ishlashi,   chunki   har   qanday   holatda   universal
ta’minot bloki favqulodda rejimga o'tkaziladi.
Zahira turdagi universal ta’minot bloki, kichik quvvatga ega va elektr tarmog'i
sifati   yaxshi   bo'lgan   sohalarda   alohida   qurilmalarni   (shaxsiy   kompyuterlar,   ish
stantsiyalari,   ofis   uskunalari,   o’lchash   tizimlari)   kafolatlangan   quvvat   bilan
ta'minlash uchun ishlatiladi.
Universal   ta’minot   bloki,   aloqa   qurilmasi   bilan   sxema   bo'yicha   ishlab
chiqarilgan, kommutatsiya o'rashlari bo'lgan avtotransformatorga asoslangan kirish
kuchlanish stabilizatori bilan to'ldirilgan.
1.2-rasm.  O’lchash sxemalari uchun unversal ta'minot bloki sxemasi.
Zahira turiga nisbatan liniyali interaktiv UPS ning asosiy afzalligi shundaki, u
avariya   holatiga   o‘tmasdan   tarmoq   kuchlanishining   ko‘tarilishi   yoki   kamayishi
Vara
q
O ’ lch Varaq Hujjat   № Imzo Sana FOYDALANILGAN  ADABIYOTLAR
1. V.G. Kostikov, E.M. Parfenov, V.A. Shaxnov "Elektron vositalarning elektr
ta'minoti" Moskva, Ishonch telefoni - Telekom 2001.
2. Grebnev V.V. Atmel.-M tomonidan AVR oilasining mikrokontrollerlari: IP
Radiosoft, 2002 - 176 p.
3. DSTU   3169   -   95   (GOST   23585-79)   -   Elektr   radioelektron   uskunalar   va
qurilmalarni o'rnatish.
4. DSTU 3413-96 - Maishiy elektr tarmoqlariga qo'yiladigan talablar.
5. K. Zeeman va V. Wadook “PWM ta’minotini hisoblash”, 2004 yil.
6. Frunze   A.V.   Mikrokontrollerlar?   Bu   oddiy!   T.1.   -   M   .:   MChJ   "ID
SKIMEN", 2002. - 336 b.
7. "Radiotexnika"   ixtisosligi   talabalari   uchun   Kurs   ishiloyihasi   bo'yicha
ko'rsatmalar / V.O. Dmitruk, V.V. Lisak, S.M. Savchenko, V.I. Haqiqat. – K.: KPI,
1993. – 20 b.
8. Kostikov V.G., Parfenov E.M., Shaxnov V.A. Elektron vositalarni energiya
bilan   ta'minlash   manbalari.   Sxema   va   dizayn:   Oliy   maktablar   uchun   darslik.   -   2-
nashr. - M.: 2001. - 344 b.
9. Perelman   B.L.   Yarimo'tkazgichli   qurilmalar.   Katalog   -   "Solon",
"Microtech",1996 yil. –176 b.
10. Elektron uskunalarni  loyihalash. Issiqlik rejimlarini  baholash va ta'minlash.
Proc. nafaqa / V. I. Dovnich, Yu. F. Zinkovskiy. - K .: UMK VO, 1990. -240 b.
11. GOST   27.003-90   -   Muhandislik   sohasida   ishonchlilik.   Ishonchlilik
talablarini belgilashning tarkibi va umumiy qoidalari.
12. X.K.   Aripov,   A.M.   Abdullaev,   N.B.   Alimova,   X.X.   Bustanov,   Ye.V.
OB’edkov, Sh.T. Toshmatov. Elektronika. Darslik. T.: Fan va texnologiya, 2011y,
400 b
13. X.K.Aripov, A.M.Abdullaev, N.B.Alimova, X.X.Bustanov, Ye.V.Ob’edkov,
Sh.T.Toshmatov. Sxemotexnika. T.: TAFAKKUR BO‘STONI, 2013y.
14. X.K.Aripov,   A.M.Abdullaev,   N.B.Alimova,   J.T.Maxsudov,
Vara
q
O ’ lch Varaq Hujjat   № Imzo Sana ta'sirlarni hisobga olgan holda element bazasi va materiallaridan foydalanish taklif
etiladi.
O’lchash   sxemalari   uchun   unversal   ta'minot   bloki   sxemalarini   ko'rib   chiqish
va tahlil qilish uchun taklif etilayotgan sxema tekshiriladi. 
O’lchash sxemalari uchun unversal ta'minot bloki - tashqi elektr ta'minotidagi
kuchlanish   to'liq   yo'qolgan   taqdirda,   masalan,   avariya   natijasida   yoki   tarmoq
kuchlanish   parametrlarining   qabul   qilinishi   mumkin   bo'lmagan   darajada   yuqori
og'ishi   natijasida   yuklamaning   quvvati   bilan   ta'minlaydigan   qurilma   nominal
qiymatlarda   ishlashini   talab   etadi.   Ushbu   o’lchash   sxemalari   uchun   unversal
ta'minot   bloki   yuklamani   favqulodda   quvvat   bilan   ta'minlash   uchun   batareya
quvvatidan foydalanadi.
O’lchash sxemalari  uchun unversal  ta'minot bloki sxemalarini qurishning bir
nechta asosiy turlarini ko'rib chiqaylik:
- ortiqcha kuchlanishli;
- liniyali interaktiv ta’minot sxemalari;
- kuchlanish o’zgartirgichli ta’minot sxemalari;
- universal ta’minot sxemalari.
1.1-rasm. O’lchash sxemalari uchun unversal ta'minot blokining struktur
sxemasi.
O’lchash   sxemalari   uchun   unversal   ta'minot   bloki   sxemalari   bo'yicha   aloqa
qurilamalari bilan amalga oshiriladi, u normal ishlashda yuklamani to'g'ridan-to'g'ri
tashqi  quvvat manbaiga ulashni  ta'minlaydi  va favqulodda vaziyatda uni batareya
quvvatiga o'tkazadi.
Vara
q
O ’ lch Varaq Hujjat   № Imzo Sana tanlaymiz:
d
1  = 0,12  ПЭЛ ;
d
2  = 0,8  ПЭЛ .
Hisoblash natijalari asosida quyidagi ma’lumotlarga ega bo’ldik:
U
1  = 220 V.
I
1  = 0,037 A.
P
1  =  8,14 Vatt .
w
1  =  1353,8 O’ram .
d
1  = 0,12 mm.
U
2  = 5 V.
I
2  = 1 A.
P
2  = 5 Vatt.
w
2  = 33,8 O’ram.
d
2  = 0,8  мм .
2.2. O’lchash sxemalari uchun unversal ta'minot bloki uchun
to’g’rilagich parametrlarini hisoblash.
O’lchash   sxemalari   uchun   unversal   ta'minot   bloki   uchun   to’g’rilagich
parametrlarini   hisoblash   uchun   kerakli   chiqish   kuchlanish   va   tok   kuchining
qiymatiga   qarab   hisoblab   topiladi.   To’g’rilovchi   diod   va   kondensatorni   tanlash,
hamda   zaruriy   o’zgaruvchan   tokni   aniqlash   zarur.   Bundan   tashqari   tarmoq
transformatorining   ikkilamchi   chulg’ami   bilan   to’g’rilagich   uchun   filtr   ham
hisoblanishi   kerak.   Bizga   kerakli   to’g’rilagichni   hisoblash   uchun   dastlabki
ma’lumotlar, yuklamadagi talab qilinayotgan kuchlanish   (U
yuk ) va uning maksimal
iste’mol tok kuchi (I
yuk ) .
Vara
q
O ’ lch Varaq Hujjat   № Imzo Sana R1
1kΩ	
V1
10V 	
U1	
DC  1e-009Ohm	
8.22m	A	+	-	
U 2
D C  10MOhm	1.78	V	+
-	
LED221-rasm. Nurlatuvchi diodni(sariq rangli) VAX ni o‘lchash sxemasi	
LED1	
V1
10V 	
U1	
DC  1e-009Ohm	
827.379	A	+	-	
U2
DC  10MOhm	10	V	+
-
22-rasm. Nurlatuvchi diodni(yashil rangli) VAX ni o‘lchash sxemasi
Nurlatuvchi   diod   to‘g‘ri   toki   (	
ito'g'ri )   kuchlanishga   kuchli   ravishda   bog‘liq
bo‘lgani sababli  tokni cheklash uchun  
i≤	iqo	'sh    nurlatuvchi diodga ketma – ket
chegaralovchi qarshilik R=1k Om ulash kerak. Nurlatuvchi diod VAXsini amalda
o‘lchash   qulay,   buning   uchun   diodga   kerakli   tok   qiymatini    	
ito'g'ri berib   borib,
unga mos keladigan kuchlanish qiymat 	
uto'g'ri  yozib boriladi.
Tajriba   vaqtida   oniy   kuchlanish   qiymati  	
ubo	's ni   (	i=	500	mkА     bo‘lganda)
yozib olish kerak.
O‘lchash   natijalarini   jadvalga   yozib   olinadi   va   olingan  	
ito'g'ri=	f(U	to'g'ri)
qiymatlar asosida bog‘liqlik grafigini chizilganda diodning VAX hosil bo’ladi.
Vara
q
O ’ lch Varaq Hujjat   № Imzo Sana Ossilograf shuni ko’rsatadiki, ikkala yarim to’lqin ham yuklamaga tushadi, 
ammo to’lqinlar juda katta.
Kirish to’lqini shaklida, oqimdagi yarim to’lqinning pastki qismi paydo bo’ldi
(qizil rangda).
17-rasm. Bir fazali ikki yarim davrli to‘g‘rilagichni virtual modelining
grafigi
3.2. Universal ta’minot blokida qo’llanilgan svetodiodlarning virtual
modelini MULTISIM dasturida tadqiq etish
Kirish   joyiga   filtrlovchi   elektrolitik   kondansator   o’rnatib,   to’lqinni
kamaytiring.   Amalda,   sinusoidning   yuqori   chastotali   tarkibiy   qismlarini
(garmonikalarni)   kamaytirish   uchun   keramikani   unga   parallel   ravishda   o’rnatish
maqsadga muvofiqdir.
Nurlatuvchi   diod   –   bu   elektr   energiyasini   nokogeren   yo‘rug‘lik   nuriga
aylantiradigan,   bitta       р -n   o‘tishga   ega   bo‘lgan   yarim   o‘tkazgichli   asbob.
Vara
q
O ’ lch Varaq Hujjat   № Imzo Sana 13- rasm. To’g’rilagich sxemasi. 
To’g’rilagich   parametrlarini   hisoblash   quyidagi   ketma-ketlik   orqali   amalga
oshiriladi: 
Tarmoq   transformatorining   ikkilamchi   chulg’amidagi   o’zgaruvchan
kuchlanishini aniqlash: 
U
2  = B * U
yuk , (10)
Bu yerda: U
yuk  – yuklamadagi o’zgarmas kuchlanish, V;
В   –   1-jadval   bo’yicha   aniqlanadigan   koeffitsient,   yuklamaning   tok   kuchiga
bog’liq kattalik. 
U
2  = 1,7 * 5 = 8,5 V.
2-jadval - koeffitsient, yuklamaning tok kuchiga bog’liq kattalik.
Koeffitsiyentlar Yuklamalar toki ,  А
0,1 0,2 0,4 0,6 0,8 1,0
В 0,8 1,0 1,9 1,4 1,5 1,7
С 2,4 2,2 2,0 1,9 1,8 1,8
Vara
q
O ’ lch Varaq Hujjat   № Imzo Sana С
f  = 3200 * I
yuk  / U
yuk  * K
pul , (13)
Bu yerda:  С
f  – filtr kondensatorining sig’imi, mkF;
I
yuk  – yuklamaning maksimal tok kuchi, A;
U
yuk  – yuklamadagi kuchlanish, V;
K
п  – to’g’rilovchi kuchlanishning pulsatsiya koeffitsienti.
С
f  = 3200 * 1/ 5 * 0,053 = 12075 mkF.
Siliqlovchi filtr kondensatorining standart turini tanlaymiz:  К 50-35.
Vara
q
O ’ lch Varaq Hujjat   № Imzo Sana Asosiy   elektr   parametrlari   quyidagilardir:   ushbu   elementning   qiymati
xarakteristikasining   nominal   qiymati   (qarshiligi,   kondansator   sig'imi,   induktivlik
va   boshqalar)   va   ruxsat   etilgan   og'ishlar   chegaralari,   elektr   quvvati   va   uzoq   vaqt
davomida   elektr   yuklamsiga   bardosh   berish   qobiliyatini   tavsiflovchi   parametrlar;
yo'qotishlar, barqarorlik va ishonchlilikni tavsiflovchi parametrlar kiradi.
Elektron   asbob-uskunalarni   loyihalashda   rioya   qilinishi   kerak   bo'lgan   asosiy
talablar   mahsulotning   eng   past   narxiga,   uning   yuqori   ishonchliligiga   va   minimal
kichik   o'lchamli   ko'rsatkichlarga   qo'yiladigan   talablardir.   Bundan   tashqari,
loyihalashda   elektroradio   elementlarning   ishlash   unumdorligini   oshirish   muhim
ahamiyatga   ega.   Yuqorida   sanab   o'tilgan   mezonlarga   asoslanib,   biz
loyihalashtirilgan qurilmaning element bazasini tanlaymiz.
Rezistorlarni tanlash
Rezistorlarni   tanlashda,   birinchi   navbatda,   biz   ularning   o'lchamlari,   narxi   va
ishonchliligiga   e'tibor   beramiz,   bu   esa   nosozliklar   orasidagi   vaqtga   bog'liq.
Zamonaviy rivojlangan texnologiya oldingi yillarga nisbatan ancha rivojlanganiga
asoslanib, bizda yuqori ishonchlilik va arzon narx, ixcham o'lcham va keng tarkibli
element bilan ajralib turadigan rezistorlar mavjud.
Parametrlar Qiymatlar
Turi RC01 RC11 RC21 RC31 RC41
Ramka o'lchami 1206 0805 0603 0402 0201
Qarshilik  qiymati  
diapazoni 1  O m ... 1  MO m 10 Om…
1 MŌ
Xato lik   ±5%
Maksimal quvvat 0,25 Vt 0,125 Vt 0,1 Vt 0,063 Vt 0,005 Vt
Maksimal ish chi  
kuchlanishi 200 V 150 V 50 V 15V
Ishlash harorati oralig'i -55 … +155 º C
1-jadval - Texnik parametrlar.
Vara
q
O ’ lch Varaq Hujjat   № Imzo Sana Transformatorlar 0, 05 0,1 0,1 2,0 0,1 1
Tranzistorlar 0,1 2 0,04 0,4 2,0 0,96 4
Diodlar RS201 0,015 0,512 0,5 2,0 0,3 6
Sveto diodlar 0,07 0,35 0,8 2,0 1,12 1
Ulanuvchi
o’tkazgichlar    0,03 0,001 2,0 2,0 1,2 6
Pechatli plata 0,02   
0,2 1
Ulanuvchi joylar 0,01 0,001 3,00 2,0 0,6 262
Izoh:λ0i
  -   atrof   muhit   temperaturasi   20 0
С   va   yuklamlar   koeffitsiyenti   K
H i=1
bo’lganda aprior nominal intensive to’xtashlar soni;	
α12	i
- temperatura va yuklamalar  koeffitsiyenti  K
H i  ga bog’liq koeffitsiyent.
Ushbu parameter grafik bo’yicha aniqlanadi. 	
α34	i
 - klimatik va mexanik yuklamalarga bog’liq koeffitsiyent;	
λi
 - har bir radioelementlar uchun intensive to’xtashlar qiymatini hisobi, har
bir element uchunsoat -1
;
N
i  – i-chi guruhining elementlari soni.
Hisoblangan   to’xtashlar   intensivligi   i-chi   element   uchun   quyidagi   formula
orqali topiladi: 
λi=	λ0i⋅α	12	i⋅α	34	i
,  час -1
. (17)
Yuqorida   amalga   oshirilgan   hisoblashlar   normal   ishlash   rejimi   uchun   amal
qiladi. 
Elementlarning ishdan to’xtashi tasodifiy hamda mustaqil bo’ladi;
Faqat to'satdan uzilishlar hisobga olinadi;
Qurilmaning ishonchliligi eksponentsial qonuni mavjud.
Vara
q
O ’ lch Varaq Hujjat   № Imzo Sana 3.3. Ishlab chiqilgan rostlanuvchi universal ta’minot bloki sxemasi
loyihalash.  
Universal   ta’minot   blokining   elektron   sxemasi   yordamida   stabillashtirilgan
chiqish  kuchlanishi   1,2  V  dan  30  V  gacha   o’zgarmas   tok  ko’rinishida  o’zgartirib
beradi.   Bunda   ta’minot   blokining   tok   kuchi   10   A   gacha   bo’lishi   mumkin.   Ushbu
turdagi   universal   ta’minot   blokida   qisqa   tutashuvdan   himolash   tizimi   ham
qo’llanilgan. Taklif etilayotgan universal ta’minot blokida juda ham kam elektron
va   radiotexnika   elementlari   mavjud.   Sxemada   qo’llanilgan   elektron   qurilmalar
narxi jihatidan arzon bo’lib, uzoq muddat ishlash xususiyatlariga ega hisoblanadi.
Universal   ta’minot   blokining   ulanish   sxemasining   ko’rinishi   quyidagi   rasmda
ko’rsatilgan.
24-rasm. LM317 stabilizatori asosidagi rostlanadigan ta’minot blokining
ulanish sxemasining ko’rinishi
LM317   mikrosxemasi   qisqa   tutashuvdan   himoyalangan   rostlanuvchi
kuchlanish   stabilizatori   hisoblanadi.   LM317   kuchlanish   stabilizatori   1,5   A   dan
yuqori bo’lmagan tok kuchida hisoblangan.
Vara
q
O ’ lch Varaq Hujjat   № Imzo Sana Yo‘rug‘lik   nuri   electron   –   kovak   juftlarining   rekombinasiyasi   natijasida   yuzaga
keledi.  Rekombinasiyasi,     р -n  o‘tish  to‘g‘ri   ulanganda  kuzatiladi.  Rekombinasiya
doim   ham   nurlatuvchi   bo‘lavermaydi   va   to‘g‘ri   zonali   yarim   o‘tkazgichlarda,
jumladan   galiy   arsenidida   sodir   bo‘ladi.   Bunday   yarimo‘kazgichlar   spesifik   xona
diagrammasiga ega bo‘ladilar. 
Nurlanayotgan   yo‘rug‘lik   to‘lqin   uzunligi  λ   kvant   energiyasi   bilan
aniqlanadi. U esa nurlanuvchi  rekombinasiyada  yarimo‘tkazgichning ta’qiqlangan
zona   kengligida   deyarli   teng   bo‘ladi.   Galiy   arsenididan   tayorlangan   yorug‘lik
diodlari uchun   	
λ = 0,9-1,4 mkm. Qizil, sariq   va yashil rang nurlatuvchi diodlar
galiy   fosfati,   siyoxrang   nurlatuvchi   diodlar   esa   –   kremniy   karbiti   asosida
yasaladilar.
Nurlatuvchi   diodning   energetik   xarakteristikasi   bo‘lib   kvant   chiqishi
(effektivligi) hisoblanadi. U zanjir bo‘ylab o‘tayotgan har bir elektronga yo‘rug‘lik
diodi   chiqishida   qancha   yo‘rug‘lik   kvanti   mos   kelishini   ko‘rsatadi.   Zamonaviy
nurlatuvchi   diodlari   uchun   kvant   chiqishi   0,01-0,04   ni,   ikki   va   uch
yarimo‘tkazgichli birikmalardan yasalgan geteroo‘tishli nurlatuvchi  diodlarida esa
ancha   kata   (0.3   gacha)   bo‘ladi.   Lekin   doim   birdan   kichik   bo‘ladi.   Volt-amper
xarakteristikasi   oddiy   diodniki   kabi   exsponensial   bog‘liqlik   bilan   ifodalanadi.
Nurlatuvchi   diod     10-7-10-9   с .   da   qayta   ulanadi,   ya’ni   yuqori   tezlikda   ishlovchi
yorug‘lik manbai hisoblanadi. 
Nurlatuvchi diod (LED – Light Emitting Diode) – lampochka emas,   bu   p-n
o‘tishga   asoslangan   yarim   o‘tkazgichli   electron   asbob   bo‘lib,   undan   elektr   toki
o‘tganda nur tarata boshlaydi (4.2-   rasm). Odatda ishchi tok diapazoni 5 - 20 m А
bo‘lib,   ishchi   toki   60-200   мА   bo‘lgan   o‘ta   yo‘rug‘likdagi     yo‘rug‘lik   diodi   ham
ishlab   chiqariladi.   Nurlatuvchi   diodni   resistor   orqali   albatta   qutblarini   to‘g‘ri
ulangan   holda   kuchlanish   manbaiga   ulash   kerak.   Sodir   bo‘ladigan   kuchlanish
pasayishi 1,5 - 4 V oralig‘ida bo‘lib, uni ishga tushirish uchun hech bo‘lmaganda
0,3 V dan ko‘proq  kuchlanish berish  kerak. 
Vara
q
O ’ lch Varaq Hujjat   № Imzo Sana Himoyalovchi sxema uchun kerakli elementlar:
 SRD-12VDC-SL-C   markali   rele,   boshqa   turdagi   kuchlanishlarga   ham
qo’llansa bo’ladi;
   R1,   R2   rezistorlar   1kOm   qarshilikka   ega,   bunda   rezistorlar   qarshiligi
svetodiod parametrlariga qarab tanalanadi; 
 5 mm 2 dona svetodiod kerak, yashil va qizil yonuvchi;
Normal yopuvchi 1 ta knopka kerak bo’ladi.
Vara
q
O ’ lch Varaq Hujjat   № Imzo Sana esa   12   A   gacha   tok   o’tkazishi   mumkin   deb   qo’yilgan.   R1   o’zgaruvchan
potensiometrning   buragichini   aylantirish   orqali   universal   ta’minot   blokidan
chiqadigan kuchlanish qiymatini o’zgartirish mumkin bo’ladi.
Bundan   tashqari   sxemada   ikkita   shuntlovchi   R1   va   R2   rezistorlar   ham
mavjud.   Ushbu   rezistorlarning   qarshiligi   200   О m   bo’lib,   ular   orqali   mikrosxema
chiqishdagi kuchlanish qiymatini aniqlaydi va kirish kuchlanishi bilan taqqoslaydi.
R3 rezistor 10 kOM qarshilikka ega. Universal ta’minot blokini ochirgandan keyin
C1 kondensator razryadlanadi. Ushbu sxemaning chiqishida 12 V dan 35 V gacha
bo’lgan   kuchlanishdagi   elektr   qurilmalar   uchun   qo’llaniladi.   Universal   ta’minot
blokining tok kuchi impulsli ta’minot manbasini yoki transformatorning quvvatiga
bog’liq bo’ladi. 
Qaralayotgan   sxemani   platalarda   joylashtirish   yoki   ulash   uchun   quyida
umumiy ko’rinishli   ulanish  sxemasi   keltirilgan.  Ya’ni   elektron qurilmalarni   ulash
bo’yicha endi  ish olib borayotgan talabalar  uchun tushunarli  bo’lishi  uchun taklif
etildi.
27-rasm. LM317 stabilizatori asosidagi rostlanadigan ta’minot blokining
ulanish sxemasining ko’rinishi
Ushbu   sxemani   pechatli   platada   yig’ish   uchun   alohida   sxema   uchun   plata
tayyorlanadi. Tayyorlangan   plata   quyidagi   ko ’ rinishga   ega . 
Vara
q
O ’ lch Varaq Hujjat   № Imzo Sana 25-rasm. LM317 stabilizatori asosidagi rostlanadigan ta’minot blokining
ulanish elektr sxemasi
26-rasm. LM317 stabilizatori asosidagi rostlanadigan ta’minot blokining
ulanish elektr sxemasini MULTISIM dasturiy muhitida simulyatsiya qilinishi
Shuning   uchun   ta’minot   blokining   sxemasida   MJE13009   yuqori   quvvatli
tranzistor   qo’llanilgan.   Bunda   ushbu   tranzistor   orqali   10   A   gacha   tok   o’tkazish
mumkin bo’ladi. Lekin bunday tranzistlarning ma’lumotnomalari va pasportlarida
Vara
q
O ’ lch Varaq Hujjat   № Imzo Sana 2.1. O’lchash sxemalari uchun unversal ta'minot bloki uchun
transformator tanlash va parametrlarini hisoblash.
Transformatorni hisoblash
Universal   ta’minot   sxemalarida   transformator   tanlashda   asosan   chiqish
kuchlanishini   diapazon   qiymati   asosida   tanlanadi.   Ya’ni   bunda   transformatorning
kerakli   kuchlanish   ikkilamchi   chulg’amda   (U
2 )   va   yuklama   (iste’molchi)   ning
maksimal   tok   kuchi   (I
yuk )   kabi   parametrlar   quyidagi   ketma-ketlik   orqali   hisoblab
topiladi:
2.1-rasm. Transformator sxemasi.
Transformator parametlarini hisoblash uchun kerakli dastlabki ma’lumotlar:
U
1  = 220 V.
U
2  = 5 V
I
2  = 1  А
Transformatorning   ikkilamchi   chulg’amidan   to’g’rilagichga   beriladigan
iste’mol quvvatini hisoblab topish quyida berilgan formula orqali aniqlanadi: 
P
2  = U
2  * I
2 ,                                                  (2.1)
Bu   yerda:   P
2   -   t ransformatorni   ikkilamchi   chulg’amidagi   maksimal   iste’mol
Vara
q
O ’ lch Varaq Hujjat   № Imzo Sana 2.3. Universal ta’minot blokini ishlash ishonchliligini hisoblash.
Ishonchlilik   bu   shuday   tushunchaki   bunda   berilgan   qurilma   pasportida
ko’rsatilgan   ishlash   muddatigacha   ishlash   ko’rsatkichlarini   izohlaydi.   O’lchov
vositalari   va   qurilmalari   uchun   to’xtamay   ishlash   P   ehtimoli   ishonchlilikning
asosiy ko’rsatkichlaridan biri hisoblanadi. 
Har qanday o’lchov vositasi tarkibi nuqtai nazaridan n ta oddiy elementlardan
tashkil   topgan.   O’lchov   vositasini   ishdan   to’xtashiga   hattoki   bir   kichik   element
ham   ta’sir   ko’rsatishi   mumkin.   Shuning   uchun,   o’lchov   vositalarini   to’xtamay
ishlash   sharoiti   uchun   to’xtovchi   elementlarni   kamaytirish   kerakligi   ta’kidlanadi.
Buning   uchun   har   o’lchov   vositasidagi   sxemaning   ishonchlilik   ko’rsatlichlari
hisoblab chiqilishi maqsadga muvofiqdir. 
Hisoblash uchun dastlabki ma’lumotlar:
Amortizatsiya mavjud emas.
Havo namligi 60.0%;
Dengiz sathidan balandligi 1.000 km;
Berilgan ishlash vaqti 10000.0 soat.
Barcha   turdagi   radioelementlar   va   qurilmalarning   intensive   to’xtash
qiymatlarini ham hisoblash uchun boshlang’ich ma’lumot kerak bo’ladi. 
Qurilma   va   elementlarning   ishonchliligini   hisoblash   uchun   quyida   berilgan
bosqichlar asosida amalga oshiriladi: 
To’xtashlar  intensivligi  qiymatlarining yig’indisinin quyida berilgan formula
bo’yicha aniqlanadi: λΣ	=	∑
i=	1
n	
λiN	i
,soat -1
(14)
Bu yerda n – o’lchov vositasi tarkibidagi radioelementlar soni;	
λi
  -   i-chi   radio   elementni   to’xtash   intensivligining   qiymati,   o’lchov
Vara
q
O ’ lch Varaq Hujjat   № Imzo Sana 8-rasm. Universal ta’minot blokini qisqa tutashuvdan himoyalovchi
sxemaning ko’rinishi
Ushbu   himoyalovchi   sxemaning   ishlash   prinsipi   ancho   soda   hisoblanadi.
Sxemaga ta’minot manbasini uzatishda qizil lampa yonadi. Bu esa kutish rejimini
anglatadi.   S1   tugmasini   bosganda   keyin   tok   relening   chulg’amiga   keladi,   bunda
rele   chulg’ami   tok   ta’sirida   ochiq   kontaktni   tortadi.   Shundan   keyin   sxema   ishchi
rejimga   o’tadi.   Bu   haqida   yashil   lampa   yonganligi   signal   sifatida   beriladi   vat   ok
iste’molchi   uzatiladi.  Ishlash   jarayonida   qisqa  tutashuv   sodir   bo’lganida,  relening
chulg’amida   kuchlanish   yo'qoladi.   Keyin   relening   kontaktlari   uziladi.   Buning
natijasida iste’molchida borayotgan elektr toki liniyasi uziladi. Bunda qizil lampa
yonishi   natijasida   rele   ishlab   ketgani   haqida   signal   beradi.   Shu  orqali   iste’molchi
qisqa tutashuvdan himoya qilinadi. 
Ushbu   sxema   8   V   dan   15   V   gacha   o’zgarmas   chiqish   kuchlanishi   ishlashi
uchun   mo’ljallangan.   Taklif   etilayotgan   sxema   zaryadlash   qurilmalari,
transformatorlar   va   impulsli   ta’minot   bloklariga   qo’llashda   juda   yaxshi   samara
berib,   yaxshi   ishlaydi.   Ushbu   taklif   etilayotgan   sxema   universal   hisoblanadi.
Chunki uni turli xildagi kuchlanishga mos qilib tayyorlash mumkin. Buning uchun
Vara
q
O ’ lch Varaq Hujjat   № Imzo Sana Sprint   Layout   6.0   dasturi   rus   tilidagi   maxsus   interfeysga   ega   bo’lib,
dasturning   muhiti   juda   tushunarli   va   oddiy   tuzilgan.   Ushbu   dastur   yordamida
platalarga bir tomonlama va ikki tomonlama chizish uchun mo’ljallangan. 
Dasturdagi kutubxona juda keng qo’llaniladigan radio elektron qurilmalar va
raqamli   plata   hamda   mikrosxemalar   kiritilgan.   Ushbu   kutubxonada   berilgan
qurilmalar asosida elektr sxemalar yaratiladi. 
Bundan tashqari   universal ta’minot blokining sxemasiga chiqish kattaliklarini
o’lchash   uchun   raqamli   voltmeter   va   raqamli   ampermetrlar   ulansa,   blokdan
chiqayotgan   chiqish   kuchlanish   va   tok   kuchining   qiymatlarini   suyuq   kiristalli
ekranda ko’rish mumkin bo’ladi.  
33-rasm. Universal ta’minot blokiga raqamli voltmeter va ampermetrni
ulash sxemasi
Vara
q
O ’ lch Varaq Hujjat   № Imzo Sana 1.4. Universal ta’minot blokini qisqa tutashuvdan himoya qilish
sxemasining tavsifi.  
Universal   ta’minot   blokini   qisqa   tutashuvdan   himoya   qilish   uchun   ta’minot
blokiga   himoyalovchi   sxema   ulash   zarur.   Universal   ta’minot   blokini   qisqa
tutashuvdan   himoya   qilish   uchun   ta’minot   blokiga   ulashni   taklif   etilayotgan
sxemani umumiy ko’rinishi quyida berilgan.
7-rasm .  Universal ta’minot blokini qisqa tutashuvdan himoya qilish
qurilmasini umumkiy ko’rinishi. 
Ayrim   hollarda   elektron   qurilmalarni   ta’minot   manbalariga   ulash   jarayonida
sxemada qisqa tutashuvlar bo’lishi  mumkin. Bunday universal  ta’minot blokining
sxemalari   yoki   sxemadagi   ayrim   radiotexnik   qurilmalar   ishiga   ta’sir   qilishi
mumkin.   Asosan   ishchi   qurilma   ishdan   chiqishi   ham   mumkin.   Shuning   uchun
universal   ta’minot   blokining   sxemalarida   qisqa   tutashuvdan   himoyalovchi   sxema
yoki   qurilma   ulash   maqsadga   muvofiq.   Ya’ni   himoyalovchi   sxema   asosan   tezda
ta’minot manbasidan o’chirishni amalga oshirishi kerak bo’ladi. Qisqa tutashuvdan
universal   ta’minot   blokini   himoyalashga   mo’ljallangan   oddiy   qurilma   sxemasi
quyida keltirilgan. 
Vara
q
O ’ lch Varaq Hujjat   № Imzo Sana Kirish   amplitudasi,   yuqorida   aytilganidek,   311,   128   V   ni   tashkil   qiladi   va
chiqish   amplitudasi   310.281   ni   tashkil   qiladi,   deyarli   bitta   volt   farqi   diodning
pasayishi   bilan   bog’liq.   Rasmning   o’ng   tomonida   o’lchov   natijalari   ko’rsatilgan.
Oynalarning nomlari XMM multimetrlarining nomlariga mos keladi.
Biz  diagrammadan  ko’rib  turibmizki,  haqiqatan  ham  yuklamaga  faqat  yarim
to’lqinli   kuchlanish   berilgan   va   uning   o’rtacha   qiymati   98V   ni   tashkil   qiladi,   bu
kirish oqimidagi 220V AC ga qaraganda ikki baravar kam.
3.1.2. Bir fazali ikki yarim davrli to‘g‘rilagichni virtual modelini
tekshirish.
 
Amalda to’g’rilagich sxemasi ikki yarim davrdan keyin qanday ko’rinishini 
ko’rib chiqaylik. Kirish qismida diodli ko’prik quramiz.
16-rasm. Bir fazali ikki yarim davrli to‘g‘rilagichnivirtual modelining
sxemasi
Vara
q
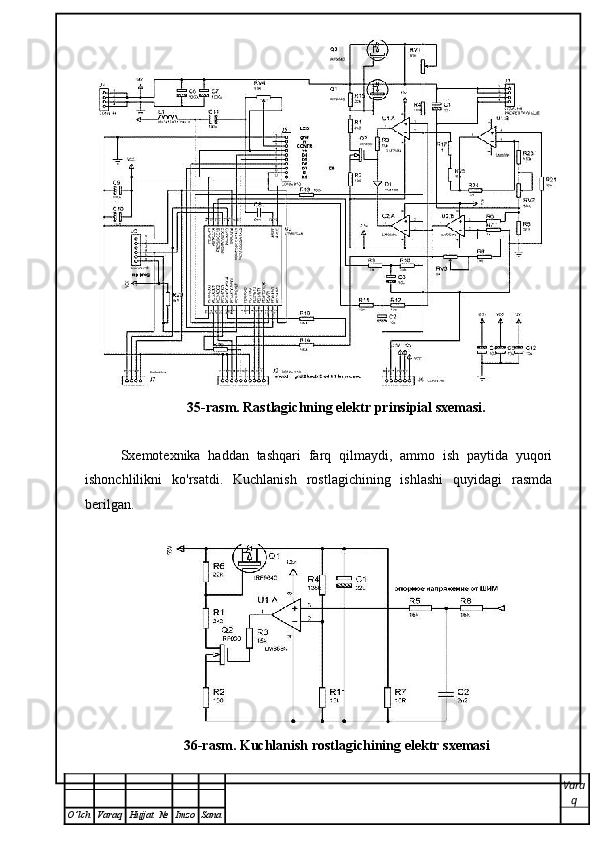
O ’ lch Varaq Hujjat   № Imzo Sana 35-rasm. Rastlagichning elektr prinsipial sxemasi.
Sxemotexnika   haddan   tashqari   farq   qilmaydi,   ammo   ish   paytida   yuqori
ishonchlilikni   ko'rsatdi.   Kuchlanish   rostlagichining   ishlashi   quyidagi   rasmda
berilgan.
36- rasm .  Kuchlanish   rostlagichining   elektr   sxemasi
Vara
q
O ’ lch Varaq Hujjat   № Imzo Sana quvvati и , Vatt;
U
2  – ikkilamchi chulg’amdagi kuchlanish, V;
U
1  - birlamchi chulg’amdagi kuchlanish, V;
I
2   -   t ransformatorning   ikkilamchi   chulg’ami   orqali   oqadigan   maksimal   tok
kuchi ,  А .
P
2  = 5 * 1= 5 Vatt.
Transformatorning quvvatini hisoblash:
P
trans  = 1,25 * P
2 ,                                                  (2)
Bu yerda: P
trans  -  transformatorning quvvati , Vatt;
P
2   -   t ransformatorning   ikkilamchi   chulg’amida   maksimal   iste’mol   quvvati ,
Vatt.
P
trans  = 1,25 * 5= 6,25 Vatt.
Magnit o’tkazgichli o’zakning ko’ndalang kesim yuzasini hisoblash: 
S = 1,3 * P
trans , (3)
Bu yerda: S -  magnit o’tkazgichli o’zakning ko’ndalang kesim yuzasi , sm 2
;
Р
trans  – transformator quvvati, Vatt.
S = 1,3 * 6,25 = 8,125 sm 2
.
Birlamchi (tarmoqli) chulg’amning o’ramlari sonini aniqlash: 
w
1  = 50 * U
1  / S , (4)
Vara
q
O ’ lch Varaq Hujjat   № Imzo Sana 28-rasm. LM317 stabilizatori asosida rostlanuvchi ta’minot blokidagi
kuchlanish rostlagichining pechat platasini ko’rinishi.
Pechatli platasi tranzistorlar asosida yasaladi. Agar eski sovet tranzistorlarini
ishlatsak,   u   holda   tranzistorni   ochish   va   simlar   bilan   ulash   kerak   bo'ladi.
MJE13009   tranzistorini   MJE13007   markali   tranzistoriga   almashtirishimiz   ham
mumkin. Agar eski sovet tranzistorlarini qo’llash mumkin bo’lsa, u holda   КТ 805,
КТ 808,   КТ 819 tranzistolarini yoki  n-p-n tipli  transistor  qo’llash mumkin bo’ladi.
Tranzistorlarni   tanlash   uchun   ta’minot   blokining   tok   kuchiga   bog’liq   bo’ladi.
Ta’minot   blokining     kuch   sxemalarining   platalarida   ulanish   yo’llarini   ortiqcha
o’tkazgich   bilan   yoki   mis   o’tkazgichi   mustahkamlash   kerak   bo’ladi.   LM317
kuchlanish   stabilizatori   va   tranzistorga   kerakli   yuzadagi   radiator   o’rnatish   kerak.
Radiator   sovutish   uchun   xizmat   qiladi.   Radiatorlar   ichida   kompyuterlarning
radiatori   juda   samarali   ish   beradi.   Agar   iloji   bo’lsa,   diodli   ko’prikni   ham   ulash
maqsadga muvofiq bo’ladi.   
LM317   kuchlanish   stabilizatorini   izolyatsiya   qilishni   unutmaslik   kerak.
LM317 ni bolt bilan radiatorga mahkamlash zarur. Bunda kuchlanish stabilizatori
va radiator orasida issiqlik o’tkazuvchi pasta qo’yish, sovitish uchun yaxshi samara
beradi. Aks holda qizish natijasida LM317 kuchlanish stabilizatori ishdan chiqishi
mumkin.   Diodli   ko’prik   asosan   amaliyotda   10   A   dan   kichik   bo’lmagan   toklarda
Vara
q
O ’ lch Varaq Hujjat   № Imzo Sana 1.1. O’lchash sxemalari uchun unversal ta'minot blokini ishlab chiqish
asoslari
O’lchash   sxemalari   uchun   unversal   ta'minot   blokini   ishlab   chiqish   va   uni
qo'llash sohasining o'ziga xos xususiyatlaridan kelib chiqib, keyingi ishlab chiqish
amalga   oshiriladigan   asosiy   mezonlarni   ko'rib   chiqamiz.   Unversal   ta'minot
sxemalarni rivojlanishining asosiy mezonlari tashqi ta'sirlarga (xususan, tebranish,
g’alayon)   ishonchlilik   va   qarshiligini   o'z   ichiga   oladi.   Blokning   ishonchliligini
oshirish uchun uni loyihalashda quyidagilar taklif etiladi:
-   konstruksiya   qismlari   va   materiallarining   yengil   elektr,   issiqlikda   ishlash
rejimlarini to'g'ri tanlashni ta'minlash;
- tashqi va ichki stabillashtiruvchi omillardan ishonchli himoyani ta'minlash;
-   integral   mikrosxemalar,   shuningdek   standart   komponentlardan   keng
foydalanish;
-   funksional-tugunli   loyihalash   usulidan   foydalangan   holda   o’lchash
sxemalari uchun unversal ta'minot blokining barqarorligini ta'minlash.
Dastlabki   bosqichda   loyihalash   jarayoni   elektr   ta'minoti   sxemalarini   tanlash
bilan o'xshash tizimlarni ko'rib chiqishdir zarur hisoblanadi. Ushbu bosqichga ta'sir
qiluvchi omillarni sanab o'tamiz:
- tannarx;
- og'irligi va o'lchamlari;
- elektr ta'minoti samaradorligi;
- kirish kuchlanishi;
- batareyaning ishlash muddati;
- chiqish kuchlanishining talab qilinadigan sifati;
- Mahsulotning bozorga chiqishi uchun ketadigan vaqt.
Estetik   va   ergonomik   ishlashni   ta'minlash   uchun   zamonaviy   dizayndan
foydalanish   taklif   etiladi.   Belgilangan   iqlimiy   va   mexanik   talablarni   ta'minlash
uchun   mahsulotning   ishlashiga   salbiy   ta'sir   ko'rsatadigan   cheklovchi   tashqi
Vara
q
O ’ lch Varaq Hujjat   № Imzo Sana To’xtashlar intensivligining umumiy qiymatini (15) formula orqali aniqlash:λΣ=
(0,2*13+0,4*3+0,1*29+5,0*1+0,1*1+0,96*4+0,3*6+1,12*1+1,2*6+
0,2*1+0,6*262)*10 -7  
=(6,5+1,2+2,9+5+0,1+3,84+1,8+1,12+7,2+0,2+157,2)*10 -
7
=187,06 * 10 -7
 1/soat
To’xtashlar intensivligi: 187,06 * 10 -7
 1/soat
To’xtashgacha   bo’lgan   ishlash   vaqti   T   ning   qiymati   (16)   formula   orqali
aniqlanadi: 
T=	1/λΣ
=1/(187,06 * 10 -7
) = 53459 soat.
To’xtashgacha bo’lgan ishlash vaqti  Т = 53459 soat.
To’xtamay ishlash ehtimoli P(t) ning qiymati yuqorida berilgan (17) formula
orqali aniqlanadi:	
P	(t)=	e
−λΣt
= 0,83
To’xtamay ishlash ehtimoli P(t) = 0,83
Hisoblashlar orqali olingan natijalar: to’xtashga qadar ishlash vaqti   Т =53459
soat,   10000   soatga   teng.   Demak   ishlab   chiqilgan   o’lchash   sxemalari   uchun
universal ta’minot bloki ishonchli ishlashi uchun kafolat beriladi.
Vara
q
O ’ lch Varaq Hujjat   № Imzo Sana bu yerda: w
1  – birlamchi chulg’amning o’ramlari soni;
U
1  – birlamchi chulg’amdagi kuchlanish, V;
S -  magnit o’tkazgichli o’zakning ko’ndalang kesim yuzasi , sm 2
.
w
1  = 50 * 220 / 8,125= 1353,8 O’ram.
Ikkilamchi (tarmoqli) chulg’amning o’ramlari sonini aniqlash:
w
2  = 55 * U
2  / S , (5)
bu yerda: w
2  – ikkilamchi chulg’amning o’ramlari soni;
U
2  - ikkilamchi chulg’amdagi kuchlanish, V;
S-  magnit o’tkazgichli o’zakning ko’ndalang kesim yuzasi , sm 2
.
w
2  = 55 * 5 /  8,125  = 33,8 O’ram.
Transformatorning   ikkilamchi   chulg’amidan   iste’molchi   to’g’rilagichning
quvvatini hisoblash:
P
1  = U
1  * I
1 , (6)
Bu  yerda:  P
1   –  ikkilamchi  chulg’amdan  iste’mol  qilingan maksimal  quvvati,
Vatt;
U
1  - birlamchi chulg’amdagi kuchlanish, V;
I
1   –   transformatorning   ikkilamchi   chulg’ami   orqali   oqayotgan   maksimal   tok
kuchi,  А .
P
1  = 220 *  0,037  = 8,14 Vatt.
Transformatorning   birlamchi   chulg’amidagi   tok   kuchining   qiymatini
aniqlash: 
Vara
q
O ’ lch Varaq Hujjat   № Imzo Sana  
Yuqorida berilgan struktur sxema quyidagi 4 ta blokdan tashkil topgan:
1. Birlamchi manba elektr tarmog'idan galvanik ajratish va rostlagich uchun
kuchlanishni   pasaytirish   uchun   mo'ljallangan.   Amaldagi   asosiy   manbaga   (impuls
bloki   yoki   seksiyali   transformatorning   ikkilamchi   chulg’ami)   qarab,   turli   xil
mikrokontroller dasturlari qo'llaniladi.
2.   Rostlagich   -   bu   mikrokontroller   tomonidan   o'rnatilgan   parametrlarga
qarab kuchlanish va tok kuchini rostlash asosiy kuch analog qismi, shuningdek tok
o'lchovchi rezistoridagi kuchlanish tushuvini kamaytirishini ta'minlaydi.
3. Mikrokontroller (MK) - butun tizimni boshqarish, joriy qiymatlar haqida
ma'lumot   to'plash   –   yuklama   toki   iste'mol   qilingan   ta’minot   blok   chiqishidagi
kuchlanish   boshqariladi.   Indikator   kuchlanishi,   tok   kuchi   va   joriy   holatini
ko'rsatish,   konfiguratsiyani   o'rnatish,   yuklama   tok   kuchining   belgilangan
qiymatlardan   oshib   ketishini   ko'rsatish   mumkin.   Oxirgi   o'rnatilgan   parametrlarni
qayd qilishni amalga oshiriladi.
4.   Boshqarish   va   ko’rsatish   -   ko'rgan   narsalar   va   boshqaradigan   narsalar.
Boshqarish faqat ikkita boshqaruv qurilmasi tomonidan amalga oshiriladi.
Boshqaruv   qurilmasi   sifatida   Atmel   AVR   Mega8   mikrokontrolleri
qo’llaniladi.   Bu   mikrokontroller   ko’p   portli   emas.   Birinchi   mikrokontroller   AVR
AT90S1200 turi 1997 yili o’rtalarida ishlab chiqilgan. 
AT90S   oilasining   mikrokontrollerlari   AVR   arxitekturasi   kuchli   Garvard
RISC   protsessorini   dastur   va   ma'lumotlar   xotirasiga   alohida   kirish   bilan
birlashtiradi, ularning har biri batareya registri sifatida ishlashi mumkin bo'lgan 32
umumiy   maqsadli   registrlar   16   -   bit   uzunlikdagi   buyruq   tizimida   qurilgan.
Ko'pgina   buyruqlar   bir   vaqtning   o'zida   amalga   oshiriladi   va   har   bir   MHz   soat
tezligi uchun 1 MHz ga qadar ishlashni ta'minlaydigan keyingi buyruqni tanlaydi.
32 razryadli umumiy maqsadli registrlar har bir registr AMQ bilan bevosita
bog'liq   bo'lgan   tezkor   kirish   registridan   tashkil   qiladi.   Bitta   sikl   uchun   ikkita
operand   ro'yxatga   olish   faylidan   tanlanadi   va   natija   ro'yxatga   olish   fayliga
Vara
q
O ’ lch Varaq Hujjat   № Imzo Sana 37-rasm. Boshqarish va ko’rsatish sxemasi.
Birlamchi   quvvat   manbai,   bu   optron   orqali   boshqariladigan   impulsli   ikki
taktli   kuchlanish   o’zgartirgichi   rostlagichidan   olingan   kuchlanish   optron   orqali
amalga oshiriladi. Tranzistor Q1 3 volt, shuning uchun quvvat manbai chiqishidagi
kuchlanish   har   doim   stabilizatorning   chiqish   kuchlanishidan   taxminan   5   voltga
teng - chiqish kuchlanishi oshadi, ta’minot bloki chiqishidagi kuchlanish avtomatik
ravishda oshadi. Rostlash quyidagi rasmda berilgan. (R1 = 100...220 Om).
Vara
q
O ’ lch Varaq Hujjat   № Imzo Sana qaytariladi. AMQ arifmetik va mantiqiy operatsiyalarni registrlar bilan, doimiy va
to'g'ridan-to'g'ri registrlar bilan amalga oshiriladi.
Ro'yxatga olish fayli ma'lumotlar xotirasining bir qismi sifatida ham mavjud.
32   razryadli   registrdan   6   tasi   bilvosita   murojaat   qilish   uchun   uchta   16   bitli
ko'rsatgich   registrlari   sifatida   ishlatilishi   mumkin.   AVR   oilasining   katta
mikrokontrolleri   AMQ   tarkibida   multipleksor   mavjud.   Barcha   AVR
mikrokontrollerlari, ketma-ket 4-kabelli interfeys orqali dasturlash qobiliyatiga ega
ichki FLASH  ROM ga ega.
AVR mikrokontrollerlarining afzalliklari: 
●   8-razryadli   yuqori   unumdorlikli   AVR   mikrokontrolleri   kam   iste’mol
quvvatiga ega;
● RISC arxitekturaga ega;
●   130   yuqori   unumdorlikli   buyruqlar,   ko’plab   buyruqlar   bir   taktli   signalda
amalga oshiriladi;
● 8-razryadli umumiy maqsadli ishchi registri;  
● To’liq statik ishlash imkoniyati mavjudligi;
● Unumdorligi 16 MHz chastotaga yaqin;
● 4 -256  К bayt tizim osti dasturlanadigan Flash xotiraga ega;
● O’chirish/yozishda 1000 siklni ta’minlaydi;
● Bir vaqtning o’zida o’qish/yozish (Read-While-Write) rejimi mavjud;
● 512 bayt EEPROM;
●1  К bayt li SRAM o’rnatilgan;
●   Dasturlanadigan   blokirovka,   foydalanuvchi   himoyalovchi   dasturiy   vosita
bilan ta’minlangan.
Rostlagich.
Kuchlanish   va   tok   kuchi   stabilizatorining   sxemasi   2-rasmda   ko’rsatilgan
bo’lib, U3 mikrokontroleri ham mavjud. Rostlagichga maxsus talablar qo'yiladi, u
kuchlanish  va   tok  kuchini   keng  miqyosda  sozlashni  ta'minlashi,  quvvatlantirilgan
qurilmani himoya qilishi kerak.
Vara
q
O ’ lch Varaq Hujjat   № Imzo Sana I
1  = P
trans  / U
1 , (7)
Bu yerda: I
1  – birlamchi chulg’am orqali oqayotgan tok kuchi,  А ;
Р
trans  – hisoblangan transformator quvvati, Vatt;
U
1   –   transformatorning   birlamchi   (tarmoq   kuchlanishi)   chulg’amidagi
kuchlanish, V.
I
1  =  8,125  / 220 = 0,037  А .
Transformatorning birlamchi  chulg’ami o’tkazgichining diametrini aniqlash: 
d
1  = 0,8 *  , (8)
bu yerda: d
1  – o’tkazgich diametri, mm;
I
1  – chulg’am orqali oqayotgan tok kuchi,  А .
d
1  = 0,8 * √0,037  = 0,12 mm.
Transformatorning birlamchi  chulg’ami o’tkazgichining diametrini aniqlash:
d
2  = 0,8 *  , (9)
bu yerda: d
2  - o’tkazgich diametri, mm;
I
2  - chulg’am orqali oqayotgan tok kuchi,  А .
d
2  = 0,8 *  √1  = 0,8 mm.
Ma’lumotnoma   (spravochnik)   dan   standart   o’tkazgichni   va   uning   markasini
Vara
q
O ’ lch Varaq Hujjat   № Imzo Sana XULOSA
Ushbu   bitiruv   malakaviy   ish imni   bajarish   davomida   o’lchash   sxemalari
uchun   universal   ta’minot   blokini   qo’llash,   uning   elementlarini   ulash,   tekshirish,
hisoblash   va   tahlil   qilish   ishlarini   amalga   oshirdim.   Olingan   natijalar   asosida
o’lchash sxemalari uchun universal ta’minot blokini ishlab chiqdim.
Uning ko'p qirraliligi shundan iboratki, uni 600 Vt gacha bo'lgan har qanday
uskunada,   shaxsiy   kompyuterdan   tortib,   o’lchash   tizimlari   hamda   tibbiyot   asbob-
uskunalargacha ishlatish mumkin.
Uzluksiz   elektr   ta'minotini   ishlab   chiqishda   tashqi   ta'sirlarga   (xususan,
tebranish   va   tashqi   yuklamalariga)   ishonchlilik   va   qarshilik   mezonlari   ko'rib
chiqildi.
Jihozning   ishonchliligini   oshirish   uchun   uni   loyihalashda   quyidagilar   taklif
qilindi:
-   konstruksiya   qismlari   va   materiallarining   yengil   elektr,   issiqlik   ishlash
rejimlarini, ularni to'g'ri tanlashni ta'minlash;
- tashqi va ichki stabillashtiruvchi omillardan ishonchli himoyani ta'minlash;
-   funksional-tugunli   loyihalash   usulidan   foydalangan   holda   mahsulotning
stabilligini ta'minlash.
Shuningdek,   bitiruv   malakaviy   ishimni   bajarish   jarayonida   texnik   topshiriq
talablariga  javob   beradigan  tegishli   texnik   ko‘rsatkichlarga   erishildi.   Shuningdek,
umumiy  qabul   qilingan   standartlarga   javob  beradigan   mahsulot  sifatining  tegishli
darajasi ta'minlanadi.
Vara
q
O ’ lch Varaq Hujjat   № Imzo Sana 4-rasm. Kirish va chiqish signallari
O’zgaruvchan tokni o’zgarmas tokka aylantirib beruvchi diodli ko’prik 
sxemasi quyidagicha bo’ladi.
5-rasm. Diodli ko’prik sxemasi
Diodli ko’prik 4 dioddan tashkil topgan va ular shunday joylashganki, ularga 
kelayotgan o’zgaruvchan tokni o’zgarmas tokka o’zgartirish oson. Bunda VD3 va 
VD4 faqat “+” larni o’tkazsa, VD2 va VD1 faqat “-“ larni o’tkazadi. 
Vara
q
O ’ lch Varaq Hujjat   № Imzo Sana tizimlarining asosini elektromexanik tizimlar (EMT) tashkil etadi va uning asosini
boshqariluvchi   o’zgartkichlar,   ya’ni   ta’minot   manbalari   tashkil   etadi.   Ma’lumki
zamonaviy   o’zgarmas   va   o’zgaruvchan   boshqariluvchi   o’zgartkichlar,   ya’ni
ta’minot   manbalari  kuch  sxemalari   yarim   o’tkazgichli   asboblarda  bajarilib,  ularni
boshqarish   tizimlari   mikrosxemalarda   amalga   oshiriladi.   XX   asrning   ikkinchi
yarmiga   kelib   yarim   o’tkazgichli   asboblar   keng   ishlab   chiqarila   boshlangandan
so’ng   sanoat   elektronikasi   sohasida   katta   burilish   bo’ldi.   Yarim   o’tkazgichli
diodlar   va   boshqariluvchi   diodlar,   ya’ni   tiristorlar   asosida   o’zgaruvchan   tokni
o’zgarmas tokka to’g’rilash sxemalari avvalgi elektron lampalarga nisbatan ancha
ixchamlashib   bunda   kuch   o’zgartkichlarning   foydali   ish   koeffisientlari   oshdi   va
qo’llanish sohalari uzluksiz oshib bordi. 
Unversal ta' minot blokini ko'p qirraliligi shundan iboratki, uni 600 Vt gacha
bo'lgan   har   qanday   uskunada,   shaxsiy   kompyuterdan   tortib,   tibbiy   asbob-
uskunalargacha ishlatish mumkin.
Uzluksiz   elektr   ta'minotini   rivojlantirishning   asosiy   mezonlari   tashqi
ta'sirlarga (xususan, tebranish) ishonchlilik va qarshilikni o'z ichiga oladi.
Blokning   ishonchliligini   oshirish   uchun   uni   loyihalashda   quyidagilar   taklif
etiladi:
-   konstruksiya   qismlari   va   materiallarining   yengil   elektr,   issiqlik   ish
rejimlarini, ularni to'g'ri tanlashni ta'minlash;
-   tashqi   va   ichki   beqarorlashtiruvchi   omillardan   ishonchli   himoyani
ta'minlash;
-   integral   mikrosxemalar,   shuningdek   standart   komponentlardan   keng
foydalanish;
-   funksional-tugunli   loyihalash   usulidan   foydalangan   holda   mahsulotning
barqarorligini ta'minlash.
Alohida   sinf   va   maqsadli   elektron   qurilmani   yaratishda   (elektron
kompyuterlar,   tibbiy   va   maishiy   elektronika,   avtomatlashtirish   uskunalari)
ommaviy ishlab chiqarilganlardan kafolatlangan ta’minot blokining quvvat manbai
tanlanishi   mumkin.   Biroq,   agar   ommaviy   ishlab   chiqarilgan   uzluksiz   elektr
Vara
q
O ’ lch Varaq Hujjat   № Imzo Sana  
10-rasm.   Universal ta’minot blokini qisqa tutashuvdan himoyalovchi sxemani
tekshirish
Ishchi rejimga o’tganligini bilish uchun yashil  lampa yongaligi tekshiriladi.
Agar yongan bo’lsa, u holda iste’molchiga 12  V  li o’zgarmas tok uzatilmoqda. 
11-rasm.   Universal ta’minot blokini qisqa tutashuvdan himoyalovchi
sxemasi ulangan ko’rinishi
Agarda sxemada qisqa tutashuv ro’y bersa, hiyalovchi sxema ishlab ketadi va 
iste’molchilarni tokdan uzadi. 
Vara
q
O ’ lch Varaq Hujjat   № Imzo Sana Yuklamaning   tok   kuchlari   bo’yicha   maksimal   tok   kuchi   aniqlanadi.   Bunda
joriy tok kuchi to’g’rilovchi ko’prikning har bir diodi orqali amalga oshiriladi:
I
D  = 0,5 *  С  * I
yuk , (11)
Bu yerda: I
D  – diod orqali oquvchi tok kuchi,  А ;
I
yuk  – yuklamaning maksimal tok kuchi,  А ;
С   -   1-jadval   bo’yicha   aniqlanadigan   koeffitsient,   yuklamaning   tok   kuchiga
bog’liq kattalik.
I
D  = 0,5 * 1,8 * 1 = 0,9  А .
Teskari   kuchlanishni   hisoblash.   Bu   to’g’rilagichdagi   har   bir   diodning   kirish
kuchlanishi hisoblanadi:
U
tes  = 1,5 * U
yuk , (12)
Bu yerda: U
tes  – teskari kuchlanish, V;
U
yuk  – yuklamadagi kuchlanish, V.
U
tes  = 1,5 * 5 = 7,5 V.
To’g’rilagich tarkibidagi diodlarni tanlashda to’g’rilovchi tok kuchi va teskari
kuchlanish qiymati ham inobatga olinadi. 
Д 9 И  markali to’g’rilovchi diodining parametrlari.
U
tes  = 7,5 V;
I = 0,3  А .
Filtr uchun kondensator sig’imini aniqlash: 
Vara
q
O ’ lch Varaq Hujjat   № Imzo Sana  LM317 kuchlanish stabilizatori;
 GBJ2501,   2502,   2504,   2506,   2508,   2510   markali   diodli   ko’priklar,   ularni
ishchi tok kuchi 10 A gacha bo’ladi;
 С 1 4700mkF 50V li kondensator;
 R1, R2  200   О m  li, R3 10kOm  li  rezistorlar, bularning quvvati  0.25 Vatt  li
bo’lishi talab etiladi;
 R1 5kOm li o’zgaruvcha resistor, ya’ni potensiometr;
 MJE13007,   MJE13009,   КТ 805,   КТ 808,   КТ 819  markali   tranzistorlar,  bular
n-p-n tipli bo’lishi maqsadga muvofiq.
Universal ta’minot blokining sxema platasi  Sprint Layout  dasturi yordamida
chiziladi.   Bunda   elektron   qurilmalarni   o’zaro   bog’lanishi,   ular   orasidagi   ulanishi
beriladi. Berilgan plata sxemasi asosida tayyor plata yaratiladi.   Universal ta’minot
blokining   sxema   platasi   Sprint   Layout   dasturida   chizilgan   sxemasi   quyida
berilgan. 
32-rasm. Universal ta’minot blokining platasini Sprint Layout 6.0
dasturida loyihalash
Vara
q
O ’ lch Varaq Hujjat   № Imzo Sana ushbu   kuchlanishga   mos   rele,   R1   va   R2   rezistorlar   hamda   signal   uchun
svetodiodlar kerak bo’ladi. 
Universal  ta’minot blokini  qisqa tutashuvdan himoya qilish uchun ta’minot
blokining ulanish sxema platasi quyidagi rasmda keltirilgan.  
9-rasm. Universal ta’minot blokini qisqa tutashuvdan himoyalovchi
sxemani platasi. 
Universal  ta’minot blokini  qisqa tutashuvdan himoya qilish uchun ta’minot
blokining   ulanish   sxema   qanday   ishlashini   ko’rib   chiqamiz.   Bunda   universal
ta’minot blokini qisqa tutashuvdan himoya qilish uchun ta’minot blokini manbaga
ulaymiz.   Blokka   tok   kelganini   qizil   lampa   yonganidan   bilishimiz   mumkin.   Bu
yerda   hali   ist’molchiga   tok   berilgani   yo’q.   Endi   S1   tugmani   bosib   nima   hodisa
bo’lishini   ko’ramiz.   Universal   ta’minot   blokini   qisqa   tutashuvdan   himoya   qilish
uchun ta’minot bloki faol holatga ya’ni ishchi rejimga o’tdi.
Vara
q
O ’ lch Varaq Hujjat   № Imzo Sana 38-rasm. Rostlagichning elektr sxemasi
39-rasm. Stabillizator sxemasi
 
Birlamchi manbaning sxemasi odatiy, shuning uchun uning tavsifi o’zgacha
bo’ladi.   TL494   mikrosxemasida   generator,   PWM   rostlagichi,   xatolik
kuchaytirgichlari,   vaqtni   boshqarish   davri,   chiqish   tranzistorlarini   boshqarish
elementlari   o'rnatilgan.   D A 2   IR2113   mikrosxemasida   yarim   ko'prikli
Vara
q
O ’ lch Varaq Hujjat   № Imzo Sana 1.3. O’lchash tizimlari uchun unversal ta'minot blokiga to’g’rilagichni
tanlash.
To‘g‘rilagich deb o‘zgaruvchan tok kuchlanishini  o‘zgarmasga  aylantiruvchi
qurilmaga aytiladi. To‘g‘rilagichlar transformator, o‘zgaruvchan tok kuchlanishini
to‘g‘rilashni   amalga   oshiruvchi   yarim   o‘tkazgichli   diodlar   va   silliqlovchi   filtrdan
iborat bo‘ladi. 
Bir   fazali   bir   yarim   davrli   to‘g‘rilash   sxemasining   yuklama   toki   bir   necha
o‘nlab milliamper bo‘lgan va to‘g‘rilangan kuchlanishni yuqori darajada silliqlash
talab   qilinmagan   hollarda   qo‘llaniladi.   Bu   sxema   transformator   quvvatidan
foydalanish   koeffisientining   kichik   qiymatlari   bilan   harakterlanadi,   chunki   bunda
to‘g‘rilangan kuchlanishning faqat bir yarim davri ishlatiladi. Sxemaning yana bir
kamchiligi shundaki, bunda to‘g‘rilovchi  dioddagi  teskari kuchlanishning qiymati
manba kuchlanishi amplitudasining ikkilangan qiymatiga yaqin bo‘ladi.
3-rasm. Bir yarim davrli to’g’rilagich sxemasi
Ushbu sxemaga ossilograf ulanganda uning kirishida sinusoidal signal bo’lsa, 
chiqishida esa faqat “+” larni diod o’tkazishi berilgan. 
Vara
q
O ’ lch Varaq Hujjat   № Imzo Sana MUNDARIJA
KIRISH   ……………………………………………………… . … .…
I-BOB .
TEXNOLOGIK   QISM ………………………………… … … .. .  
1.1-§.
O’lchash sxemalari uchun unversal ta'minot blokini ishlab chiqish 
asoslari  ..........
1.2-§. Elektromagnit sarf o’lchagichlar haqida ma’lumot ……………...…...
1.3- § .
EMIS-MAG 270 SARF O’LCHAGICH haqida ma’lumot.... …..……
1. 4 - § . EMIS-MAG 270 SARF O’LCHAGICH ishlash prinsipi......................
1.5-§.   
1.6-§.     Sarf o’lchagichlarni  quvurga o’rnatish  va foydalanish......................... 
Transportda tashish va saqlash ………………………………………
II - BOB .
HISOBIY QISM …………………………………… . … ………..
2.1- § .
Suyuqlik sarfini o’lchash ……………………………… . … …………
2.2- § .
O'lchov elementini tanlash …………………………… . … ………….
2.3- § .
Instrumental kuchaytirgichlarning roli ………………………………
2.4-§.
Shovqinni  filtrlash …………………………………………………..
2.5- § .
ARO’ -  analog raqamli o’zgartkichni tanlash ………………..….....
2. 6 -§.
2. 7 -§ . Analog signal zanjirini sinab ko'rish....................................... ...………
Sarf qiymatini hisoblash ………………………………………….…  
III-BOB.
MAHSULOT SIFATI VA ISHLAB CHIQARISHNING 
METROLOGIK TA’MINOTINI BAHOLASH ……………
3.1-§. Elktromagnit EMIS-MAGE 270 sarf o'lchagichlari texnik va metrologik 
xarakteristikasi .…..………………………………………
3.2- § . O’lchash diapazonlari   ……………. …………………………………
3.3- § . Elektr ta'minoti parametrlari…………………………………………
3.4- § . Chiqish signallari………………………. .…..…….…………………
3.5-§.
3.6-§.  
3.7-§.
3.8-§. Markalash (belgilash)………………………………………………..
Elektr ulanishlar…… ………………………………………………..
Foydalanish va xizmat ………………………………………………
Elektromagnit EMIS-MAGE 270 sarf o'lchagich ni tekshirish ………
IV-BOB.    IQTISODIY QISM
4.1- § . Iqtisodiyotning   texnika   taraqqiyotidagi   o ’ rni…………..……………….
Vara
q
O ’ lch Varaq Hujjat   № Imzo Sana ta'minotining   operatsion,   loyihalash   yoki   boshqa   xususiyatlariga   ko'ra,   o’lchash
vositalarining   ishlashiga   yetarli   kuchlanish   bera   olmasa,   barcha   o'ziga   xos
qoidalarni hisobga olgan holda yangisini ishlab chiqish kerak bo’ladi.
Maxsus   foydalanish   uchun   mo'ljallangan   ko'p   kanalli   universal   ta’minot
quvvat   manbalarini   ishlab   chiqarish   va   tekshirish   sinovlarini   turli   xildagi   virtual
dasturiy   vositalari   yordamida   amalga   oshirish   maqsadga   muvofiq   hisoblanadi.
Sinovlarning   mazmuni   va   ketma-ketligi   ushbu   bloklarga   texnik   shartlar   bilan
tartibga   solinadi.   Texnik   shartlar   ta’minot   kuchlanishlari,   yuklamalar   va   o'lchash
asboblarini   ulash   uchun   sxematik   usulni   belgilaydi.   Yaratilgan   blok   sxemalarini
sinov   natijalari   tasdiqlangan   shaklga   ega   bo'lgan   bayyonnomada   qayd   etilishi
kerak.
Hozirgi   vaqtda   ayrim   korxonalarda   ishlab   chiqarish   va   qabul   qilish   sinov
natijalarini   topshirish   tartibi   maxsus   stendlar   yordamida   qo'l   bilan   yoki   avtomatk
tarzda   amalga   oshiriladi.   Bu   nafaqat   sinov   muddatini   kamaytiradi,   balki   inson
resurslaridan   oqilona   foydalanishga   olib   keladi,   chunki   sinov   jarayonida
rostlagichlar, texnik nazorat bo’limi vakili ishtirok etadi. Shu bilan birga, bunday
sinovlarning   asosiy   qismi   kuchlanish   va   yuklamalarni   o’zgartirish,   asboblarning
ishlashini   va   ularni   bayonnomaga   kiritishning   muntazam   amalga   oshirishi   zarur.
Ro'yxatga   olingan   qurilmalar   zamonaviy   asbob-uskunalar   va   dasturiy   ta'minot
bilan osongina avtomatlashtirilishi mumkin. 
Ushbu   bitiruv   malakaviy   ishining   maqsadi   o’lchash   sxemalari   uchun
unversal   ta'minot   blogini   ishlab   chiqish   hisoblanadi.   Bundan   tashqari   elektr
sxemalarini loyihalash uchun ”Multisim” dasturiy paketidan ham foydalanilgan.
Ushbu   bitiruv malakaviy   ishida 5 ta bo’lim, 39 ta rasm, 3 ta jadval va 19 ta
formulalar, kirish, xulosa va foydalangan adabiyotlar ro’yxati keltirilgan.
Vara
q
O ’ lch Varaq Hujjat   № Imzo Sana 6-rasm. Diodli ko’prikdan chiqayotgan signal 
Vara
q
O ’ lch Varaq Hujjat   № Imzo Sana qo’yish   mumkin.   Ushbu   sxemada   GBJ2510   markali   diodli   ko’prik   qo’llanilgan.
Ushbu turdagi diodli ko’prikning ishchi tok kuchi 25 А  gacha bo’ladi. 
29-rasm. Universal ta’minot blokini ko’rinishi.
Universal ta’minot blokini mustahkamligini tekshirish zarur. Bunda universal
ta’minot blokini kuchlanishi 32 V li va tok kuchi 10 A li  ta’minot manbasiga ulab
tekshirish mumkin. Universal  ta’minot blokining chiqishida 3 V ko’rsatishi  shuni
anglatadiki, bunda ta’minot bloki yuklamasiz ishlayotganligini anglatadi. Shuning
uchun   unga   ikkita   H4   55   Vattli   12   V   li   galogenli   lampalarni   ketma-ket   qilib
ulaymiz.   Lampochka   ulanish   o’tkazgichida   maksimal   yuklamani   yaratish   uchun
bir-biriga ulangan bo'lib, natijada 220 Vatt ni tashkil etadi. 
30-rasm. Universal ta’minot blokiga o’lchash vositalarini ulash.
Vara
q
O ’ lch Varaq Hujjat   № Imzo Sana Universal   ta’minot   blokini   ishga   tushirgandan   keyn   tez   fursatda   radiator
qizishni boshladi. Ishga tushib 5 minut o’tgandan so’ng radiatordagi harorat 65  0
C
gacha   ko’tarildi.   Shuning   uchun   yuqori   yuklamali   qurilmalarni   qo’llashda
universal ta’minot blokini radiator qizib ketishi kuzatildi. Buni bartaraf etish uchun
universal   ta’minot   blokining   sxemasiga   qo’shimcha   sovitish   uchun   ventilyator
ulash maqsadga muvofiq hisoblanadi. Ventilyatorni ulash quyida keltirilgan sxema
bo’yicha   amalga   oshiriladi.   Rostlanuvchi   ta’minot   blokidagi   LM317   kuchlanish
stabilizatori to’g’ridan-to’g’ri C1 kondensatoriga ulanadi. Bunda diodli ko’prik va
kondensator   ulanishi   shart   bo’lmay   qoladi.   Universal   ta’minot   blokiga   ulanuvchi
ventilyator sxemasi quyida ko’rsatilgan.
31-rasm. Universal ta’minot blokini ulash sxemasi.
Qisqa   tutashuvda   universal   ta’minot   blokining   chiqishida   kuchlanish   1   V
gacha   kamayishi   mumkin.   Tok   kuchi   kuchi   esa   10   A   gacha   bo’ladi.   Bunday
holatda universal ta’minot blokini yaxshi sovitish, yuqori natija beradi.
LM317   asosida   rostlanuvchi   ta’minot   blokini   quyida   berilgan   radiotexnik
qurilmalar asosida yig’ilgan:
Vara
q
O ’ lch Varaq Hujjat   № Imzo Sana 23-rasm. Nurlatuvchi diodni volt-amper xarakteristikasi
Tajribada olingan VAXdan foydalanib, nurlatuvchi diod uchun  ito'g'ri =10mA
qiymatida differensial qarshilik  
 	
rdif	=	Δu
Δi    (18)
va  o‘zgarmas tok bo‘yicha qarshilik  	
r0=	
uto'g'ri	
ito'g'ri
(19)
ni hisoblab topiladi.
Vara
q
O ’ lch Varaq Hujjat   № Imzo Sana

MUNDARIJA

   
 kirish ……………………………………………………….….… 
I-bob.TEXNOLOGIKQISM………………………………………...    
1.1-§.O’lchash sxemalari uchun unversal ta'minot blokini ishlab chiqish asoslari .......... 
1.2-§.Elektromagnit sarf o’lchagichlar haqida ma’lumot……………...…... 
1.3-§.EMIS-MAG 270 SARF O’LCHAGICH haqida ma’lumot....…..…… 
1.4-§.   EMIS-MAG 270 SARF O’LCHAGICH ishlash prinsipi...................... 

1.5-§.   

1.6-§.   

Sarf o’lchagichlarni  quvurga o’rnatish va foydalanish......................... Transportda tashish va saqlash ………………………………………

 

 
II-BOB.HISOBIY QISM…………………………………….………….. 
2.1-§.Suyuqlik sarfini o’lchash……………………………….…………… 
2.2-§.O'lchov elementini tanlash…………………………….……………. 
2.3-§.Instrumental kuchaytirgichlarning roli……………………………… 
2.4-§.Shovqinni   filtrlash………………………………………………….. 
2.5-§.ARO’ -  analog raqamli o’zgartkichni tanlash………………..…..... 

2.6-§.

2.7-§.

Analog signal zanjirini sinab ko'rish..........................................………

Sarf qiymatini hisoblash………………………………………….… 

 


 

III-BOB.

MAHSULOT SIFATI VA ISHLAB CHIQARISHNING METROLOGIK TA’MINOTINI BAHOLASH……………
3.1-§.Elktromagnit EMIS-MAGE 270 sarf o'lchagichlari texnik va metrologik xarakteristikasi.…..………………………………………
3.2-§.O’lchash diapazonlari …………….…………………………………
3.3-§.Elektr ta'minoti parametrlari…………………………………………
3.4-§.Chiqish signallari………………………..…..…….…………………

3.5-§.

3.6-§. 

3.7-§.

3.8-§.

Markalash (belgilash)………………………………………………..

Elektr ulanishlar……………………………………………………..

Foydalanish va xizmat………………………………………………

Elektromagnit EMIS-MAGE 270 sarf o'lchagich ni tekshirish………

       

Iv-BOB.   IQTISODIY QISM

4.1-§.Iqtisodiyotning texnika taraqqiyotidagi o’rni…………..……………….
4.2-§.Texnik-iqtisodiy ko’rsatkichlar…………..…………….…………..…...
4.3-§.Kapital xarajatlarni hisoblash…………..…………….…………..…......
4.4-§.Amortizatsiya ajratmalari hisobi……..…………….…………..…........
4.5-§.Suv iste’mol sarfini tejash harajatlari…………………………………..
4.6-§.Iqtisodiy samaradorlikni hisoblash…..…………….…………..…........

V-BOB.   HAYOT FAOLIYATI XAVFSIZLIGI

5.1-§.Mehnat muhofazasi va xavfsizlik texnikasi…………………………..
5.2-§.Favqulotda vaziyatlar va fuqaro muhofazasi………………………….
5.3-§.Atrof-muhit muhofazasi……………….………………………………

XULOSA..............................................................................................................

FOYDALANILGAN ADABIYOTLAR............................................................